曲线滚轮英制 ㈣
曲线滚轮英制 ㈣
产品价格:¥面议(人民币)
  • 供应数量:1
  • 发货地:江苏-常州市
  • 最小起订量:1
  • 家家通
    会员级别:家家通
    认证类型:企业认证
    企业证件:通过认证

    商铺名称:常州市吉贝尔轴承厂

    联系人:朱经理()

    联系手机:

    固定电话:

    企业邮箱:940984905@qq.com

    联系地址:常州市武进区牛塘工业园

    邮编:213163

    联系我时,请说是在泵阀网上看到的,谢谢!

    商品详情

      曲线滚轮英制 ㈣2.jpg       曲线滚轮英制 ㈣3.jpg

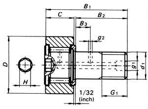
      CRH...VB                                                                                CRH...VBUU


      轴 径 mm轴 承 型 号外 型 尺 寸mm
      基本型密封型
      d1DCB1
      6.350CRH 8-1VBCRH 8-1VBUU6.35012.7009.52526.194
      CRH 9 VBCRH 9 VBUU6.35014.2889.52526.194
      7.938CRH 10-1 VBCRH 10-1 VBUU7.93815.87511.11230.956
      CRH 11VBCRH 11VBUU7.93817.46211.11230.956
      11.112CRH 12VBCRH 12VBUU11.11219.05012.70035.719
      CRH 14VBCRH 14VBUU11.11222.22512.70035.719
      15.875CRH 16VBCRH 16VBUU15.87525.40015.87542.069
      CRH 18VBCRH 18VBUU15.87528.57515.87542.069
      19.050CRH 20VBCRH 20VBUU19.05031.75019.05051.594
      CRH 22VBCRH 22VBUU19.05034.92519.05051.594
      22.225CRH 24VBCRH 24VBUU22.22538.10022.22561.119
      CRH 26VBCRH 26VBUU22.22541.27522.22561.119
      25.400CRH 28VBCRH 28VBUU25.40044.45025.40070.644
      CRH 30VBCRH 30VBUU25.40047.62525.40070.644
      28.575CRH 32VBCRH 32VBUU28.57550.80031.75063.344
      CRH 36VBCRH 36VBUU28.57557.15031.75063.344
      31.750CRH 40VBCRH 40VBUU31.75063.50038.10096.044
      CRH 44VBCRH 44VBUU31.75069.85038.10096.044

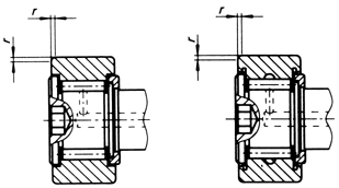
      以下表格接上

      外 型 尺 寸mm

      最大拧紧

      基本额定负荷

      极限转速   rpm

       C        CO

      B2

      g 1

      g 2

      G1

      B3

      H

      r

      kgf.m

      kgf

      kgf

      15.875

      --

      --

      6.350

      --

      3.175

      0.397

      0.4

      480

      550

      15000

      15.875

      --

      --

      6.350

      --

      3.175

      0.397

      0.4

      480

      550

      15000

      19.050

      --

      --

      7.938

      --

      3.175

      0.397

      1.0

      650

      870

      11000

      19.050

      --

      --

      7.938

      --

      3.175

      0.397

      1.0

      650

      870

      11000

      22.225

      4.762

      2.381

      9.525

      6.350

      4.762

      0.794

      2.9

      890

      1250

      8000

      22.225

      4.762

      2.381

      9.525

      6.350

      4.762

      0.794

      2.9

      890

      1250

      8000

      25.400

      4.762

      2.381

      12.700

      6.350

      6.350

      1.191

      7.5

      1330

      2310

      6500

      25.400

      4.762

      2.381

      12.700

      6.350

      6.350

      1.588

      7.5

      1330

      2310

      6500

      31.750

      4.762

      2.381

      15.875

      7.938

      6.350

      1.588

      14

      2400

      3230

      5500

      31.750

      4.762

      2.381

      15.875

      7.938

      6.350

      1.588

      14

      2400

      3230

      5500

      38.100

      4.762

      2.381

      19.050

      9.525

      7.938

      1.588

      17

      2870

      4090

      4500

      38.100

      4.762

      2.381

      19.050

      9.525

      7.938

      1.588

      17

      2870

      4090

      4500

      44.450

      4.762

      2.381

      22.225

      11.112

      7.938

      1.588

      26

      3590

      5670

      4000

      44.450

      4.762

      2.381

      22.225

      11.112

      7.938

      1.588

      26

      3590

      5670

      4000

      50.800

      4.762

      3.175

      25.400

      12.700

      11.112

      1.588

      32

      4660

      8220

      3500

      50.800

      4.762

      3.175

      25.400

      12.700

      11.112

      1.588

      32

      4660

      8220

      3500

      57.150

      4.762

      3.175

      28.575

      14.288

      12.700

      2.388

      40

      6260

      11900

      3000

      57.150

      4.762

      3.175

      28.575

      14.288

      12.700

      2.388

      40

      6260

      11900

      3000

    在线询盘/留言
  • 0571-87774297