三维微动台 PZT纳米位移台 迪米电陶叠堆压电陶瓷定位台 压电陶瓷位移台
三维微动台 PZT纳米位移台 迪米电陶叠堆压电陶瓷定位台 压电陶瓷位移台
产品价格:¥5000.00(人民币)
  • 供应数量:1
  • 发货地:黑龙江-哈尔滨市
  • 最小起订量:1件
  • 免费会员
    会员级别:免费会员
    认证类型:企业认证
    企业证件:通过认证

    商铺名称:黑龙江迪米电陶科技有限公司

    联系人:吕先生(先生)

    联系手机:

    固定电话:

    企业邮箱:dna-moive@163.com

    联系地址:黑龙江省哈尔滨市松北区华美太古广场Q32

    邮编:150000

    联系我时,请说是在泵阀网上看到的,谢谢!

    商品详情

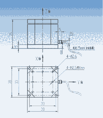
      ◆ 高速响应;

      压电陶瓷驱动;

      重复定位精度高;

      纳米级位移分辨率;

      机体材料分铝合金;

      具有开环和闭环两种;

      采用数控、线切割等加工工艺。严格保证结构精度;

      采用计算机有限元仿真分析设计微动结构;

      采用先进的表面处理工艺,提高了适应工作环境的能力。


    在线询盘/留言
  • 0571-87774297