优势供应rexroth力士乐4WRTE35E1000L-4X\/6EG24K31\/F1M比例阀
优势供应rexroth力士乐4WRTE35E1000L-4X\/6EG24K31\/F1M比例阀
产品价格:¥6666.00(人民币)
  • 规格:Default
  • 发货地:浙江宁波
  • 品牌:
  • 最小起订量:1
  • 诚信商家
    会员级别:标准会员
    认证类型:企业认证
    企业证件:通过认证

    商铺名称:宁波思承流体技术有限公司

    联系人:陈先生(先生)

    联系手机:

    固定电话:

    企业邮箱:3007411352@qq.com

    联系地址:宁波市高新区清水桥路611号华城国际1701

    邮编:315000

    联系我时,请说是在泵阀网上看到的,谢谢!

    商品详情
      产品参数
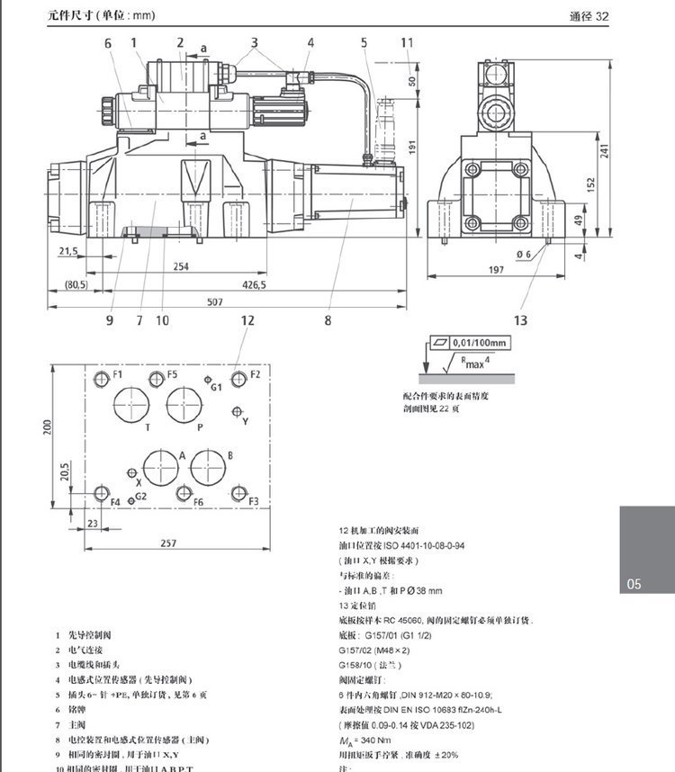
      优势供应rexroth力士乐4WRTE35E1000L-4X/6EG24K31/F1M比例阀 品牌力士乐REXROTH
      名称比例阀
      通径35通径
      线圈是否可更换
      销售区域中国区域
      颜色蓝色
      数量196
      订货号R900757702
      是否原装
      可售卖地全国
      型号4WRTE35E1000L-4X/6EG24K31/F1








    0571-87774297