力士乐节流阀DRV10单向节流阀
力士乐节流阀DRV10单向节流阀
产品价格:¥10(人民币)
  • 规格:DRV10
  • 发货地:温州
  • 品牌:
  • 最小起订量:1个
  • 免费会员
    会员级别:试用会员
    认证类型:企业认证
    企业证件:通过认证

    商铺名称:德克玛液压制造有限公司

    联系人:陈旭日(小姐)

    联系手机:

    固定电话:

    企业邮箱:2880383322@qq.com

    联系地址:乐清市柳市镇后街工业区

    邮编:325604

    联系我时,请说是在泵阀网上看到的,谢谢!

    商品详情
      通径(NG)6至)30
      压力至35MPa

      流量至375L /min

      力士乐节流阀的产品图


      特性
      DV. DVP型节流阀和DRV. DRVP型单向节流阀是一种
      比较简单而又精确地调节执行元件速度的流量控制阀.完全
      关闭时它
      又是截止阀。
      旋钮上的彩色刻度标用来显示流量调节的大小.彩色三角
      的开度越大.流量越大。 同时在重新调节时仍然可以根据刻

      度恢复到原来设定调节的位置上。

      力士乐节流阀的型号参数


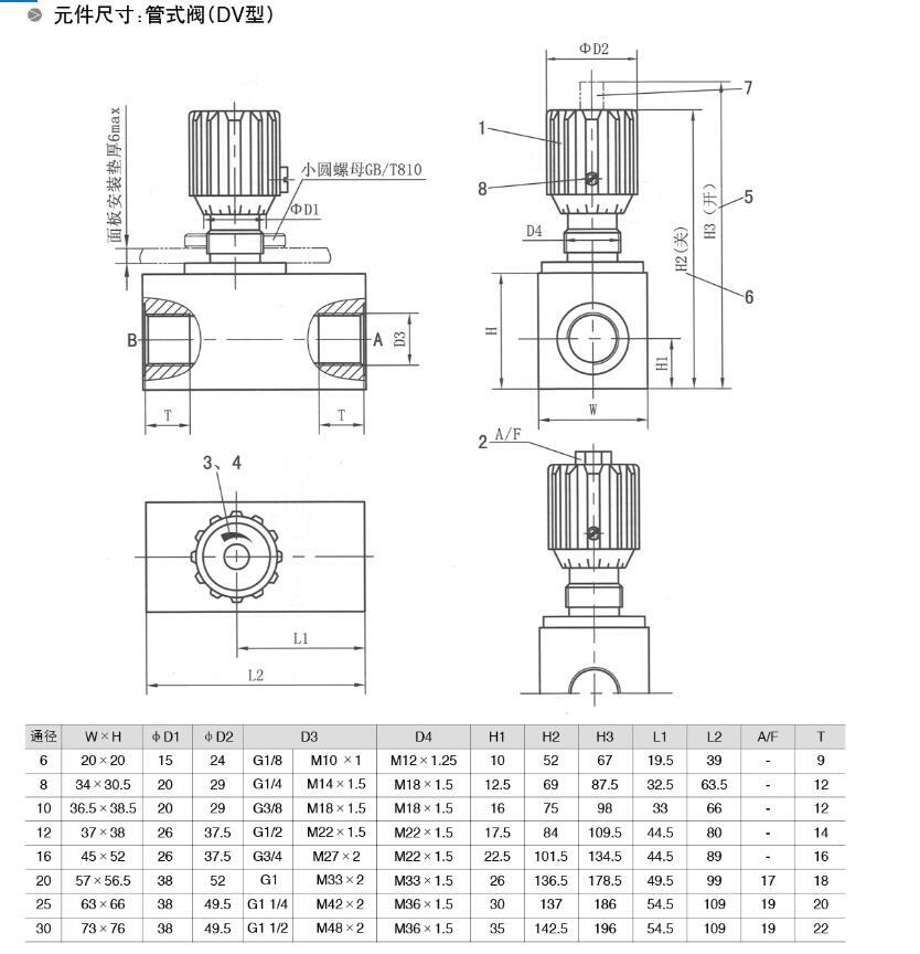
      力士乐单向节流阀的尺寸




      1型号通径6-16
      5节流阀完全打开
      2型号通径20-30 (带六角的旋钮)
      6节流阀关闭
      3逆时针旋钮旋转为增大流量
      7重复调节时用的色彩刻度
      4顺时针旋钮旋转为减小流量
      8固定设定流量的螺纹

    0571-87774297