力士乐4WRPEH6伺服电磁方向阀生产厂家
力士乐4WRPEH6伺服电磁方向阀生产厂家
产品价格:¥1850(人民币)
  • 规格:4WRPEH6
  • 发货地:温州
  • 品牌:
  • 最小起订量:1个
  • 免费会员
    会员级别:试用会员
    认证类型:企业认证
    企业证件:通过认证

    商铺名称:德克玛液压制造有限公司

    联系人:陈旭日(小姐)

    联系手机:

    固定电话:

    企业邮箱:2880383322@qq.com

    联系地址:乐清市柳市镇后街工业区

    邮编:325604

    联系我时,请说是在泵阀网上看到的,谢谢!

    商品详情
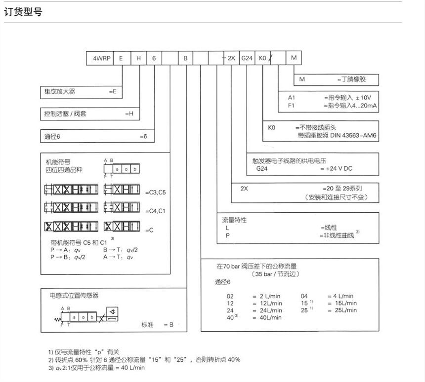
      力士乐同款伺服电磁方向阀型号规格:4WRPEH6-2X,4WRPEH6B-2X,4WRPEH6BL-2X,4WRPEH6BP-2X,4WRPEH6B-2X/G24KD/A1M等,伺服电磁阀的型号含义:4WRPEH表示伺服电磁方向阀,通径6/压力至31.5MPa/流量至40L/min,机能符号C/C1/C3/C4/C5,安装和连接尺寸2X,G24表示直流24V电源,流量特性:线性L和非线性曲线P,不带接线插头KD,需要其他参数要求,请联系本公司技术部

      4WRPEH6伺服电磁方向阀技术参数和4WRPEH6-2X伺服电磁阀的使用说明


      通径6/压力至31.5MPa /流量至40L /min,6通径直动式伺服电磁阀,带有控制活塞和阀套,具有伺服性能,单边驱动,断电时处于四位四通的故障-保险位置,控制电磁铁带有内置位反馈和集成式放大器(OBE),在工厂校准,用于底板安装,安装面按IS04401-03-02- -0-94,接线插头按DIN 43563- AM6,电气连接6P+PE,信号输入差动放大器接C J(A1:士10V或F1: 4..20mA),适用于生产和试验系统中的电液控制器

      如需了解更多比例阀产品详情,请来电咨询,我们将竭诚为您服务
    0571-87774297