浙江车载比例压力安全阀厂家直销
浙江车载比例压力安全阀厂家直销
产品价格:¥2320(人民币)
  • 规格:DBETB
  • 发货地:温州
  • 品牌:
  • 最小起订量:1个
  • 免费会员
    会员级别:试用会员
    认证类型:企业认证
    企业证件:通过认证

    商铺名称:德克玛液压制造有限公司

    联系人:陈旭日(小姐)

    联系手机:

    固定电话:

    企业邮箱:2880383322@qq.com

    联系地址:乐清市柳市镇后街工业区

    邮编:325604

    联系我时,请说是在泵阀网上看到的,谢谢!

    商品详情
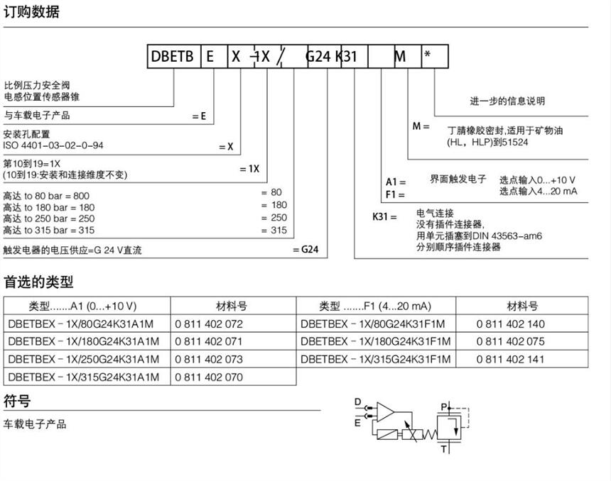
      比例压力安全阀
      车载电子产品(OBE)和位置反馈
      公称尺寸6,单位1 X系列,工作压力P 315bar, T 250bar,公称流量率
      比例安全阀的特点:直接操作的阀门,有位置反馈和板上的限制系统压力的电子学,通过电枢的位置对其进行调整压缩弹簧-位置控制,最小滞后小于0.2%,快速反应时候,看到技术数据,即使是有缺陷的电子设备,也有安全级别的压力限制(螺电流| > Imax),对于副板附件,安装孔的配置ISO 4401-03- -02-0-94。 每个目录下的子板是45053(订单分开),插件连接器到DIN 43563- am6,查看目录表是08008(订单分开),机载触发电子设备的数据遵守CE,EMC指令,EN 61000-6- 2: 2002- -08和EN 61000-6-3: 2002-08 UB = 24 Vnom DC,6p+ PE电气连接信号驱动,标准0-+ 10 V(A1),版本20 mA(F1),在工厂校准的阀门曲线


    0571-87774297