浙江4WREE6/10比例换向阀批发厂家
浙江4WREE6/10比例换向阀批发厂家
产品价格:¥1820(人民币)
  • 规格:4WREE6
  • 发货地:温州
  • 品牌:
  • 最小起订量:1个
  • 免费会员
    会员级别:试用会员
    认证类型:企业认证
    企业证件:通过认证

    商铺名称:德克玛液压制造有限公司

    联系人:陈旭日(小姐)

    联系手机:

    固定电话:

    企业邮箱:2880383322@qq.com

    联系地址:乐清市柳市镇后街工业区

    邮编:325604

    联系我时,请说是在泵阀网上看到的,谢谢!

    商品详情
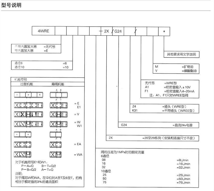
      通径6、10/ 压力至31.5MPa /流量至180L /min

      ●直动式比例阀,可用于控制流量和方向
      ●带电反馈
      ●通过螺纹比例电磁铁实现,线圈可单独拆卸
      ●板式连接,阀芯由弹簧对中
      ●带内置放大器,4WREE型的输入可选A1或F1
      4WE(E)..- -2X.. .型阀为直控式比例方向阀,板式结构;由可单独拆卸线圈的螺纹比例电磁铁控制;电磁铁的控制可以通过外部放大器
      (WRE- -2X型)或内置放大器(WREE- -2X型)。该阀由阀体(1)、阀芯(2)、 弹簧(3)、 弹簧座(4)、 比例电磁铁(5)、位移传感器(6)及可选内置放大器
      (7)组成。
      WRE(E)- 2X型三位阀电磁铁未通电时,阀芯(2)由复 位弹簧(3)保持中位。当电磁铁A通电时,电磁铁推杆直接推动阀芯(2)右移,位移量
      与电信号成正比,使阀芯的R槽逐渐打开,从而控制液流流量,若断电时阀芯靠复位弹簧复位。
      4WRE.. .A- 2..两位阀与三位阀结构原理相同。只是这类阀只有- -个电磁铁"a" ,个电磁铁的位置装上-个丝堵(10)。
      4WRE(...-...比例换向阀采用板式连接,弹簧对中;阀体采用铸造内流道通流能力强,重复精度好,底板安装尺寸与电磁
      阀相同,通用性好;广泛应用于机床、轻工、冶金、矿山、航空等各领域。
      注意: 1.对于4WRE().. -2X.. .型阀,必须避免回油管路中的由全部排空,必要时在回路中安装背压阀(背压约为0.2MPa)。
      2.通过(8)可以进行机械零位调整;对于4WREE型通过(9)可进行电气零位调整。(出厂前已调好请勿随意调动)。


    0571-87774297