SV6PB1-6X/力士乐单向阀
SV6PB1-6X/力士乐单向阀
产品价格:(人民币)
  • 规格:SV6PB1-6X/
  • 发货地:湖北
  • 品牌:
  • 最小起订量:1只
  • 诚信商家
    会员级别:金牌会员
    认证类型:企业认证
    企业证件:通过认证

    商铺名称:武汉翔升达机电设备有限公司

    联系人:黄豆豆(小姐)

    联系手机:

    固定电话:

    企业邮箱:hzjob0825@126.com

    联系地址:武汉市武昌雄楚大道229号

    邮编:430070

    联系我时,请说是在泵阀网上看到的,谢谢!

    商品详情

      SV6PB1-6X/力士乐单向阀现货供应

      我公司优势供应德国REXROTH-液压件:电磁换向阀,溢流阀,减压阀,单向阀,比例阀,比例阀放大器,变

      量柱塞泵。
      武汉翔升达机电长期专业供应,已有完善的货源渠道,价格优惠,货期短,能解决一些客户急件需求。欢迎

      来电咨询!
      联系人:黄小姐
      手机:15527981700       电话:027-87298858(周一至周五8:30-17:30)     
      QQ:1223281417          E-mail:hzjob0825@126.com
      SV单向阀
      力士乐单向阀R900050717 SV62FA1-1X//12
      力士乐单向阀R900053091 SV30PB2-4X/V
      力士乐单向阀R900059277 SV62FA2-1X//12
      力士乐单向阀R900059482 SV20GB3-4X//12
      力士乐单向阀R900074608 SV15GB1-4X//12
      力士乐单向阀R900074693 SV20GB1-4X//12
      力士乐单向阀R900203988 SV20GA3-4X//12
      力士乐单向阀R900219647 SV52FA2-1X/V/12
      力士乐单向阀R900220496 SV15GB4-4X//12
      力士乐单向阀R900222361 SV10GA2-4X//12
      力士乐单向阀R900225857 SV30GA1-4X/V/12
      力士乐单向阀R900240914 SV30PB4-4X/V
      力士乐单向阀R900393420 SV52FA1-1X/V
      力士乐单向阀R900403578 SV10PA2-4X/V
      力士乐单向阀R900403672 SV10PB2-4X/
      力士乐单向阀R900426646 SV10GB1-4X//12
      力士乐单向阀R900443752 SV52FA1-1X/
      力士乐单向阀R900445694 SV52PA1-1X/
      力士乐单向阀R900445696 SV62PA1-1X/
      力士乐单向阀R900451042 SV10PA2-4X/
      力士乐单向阀R900451408 SV52PB1-1X/
      力士乐单向阀R900453511 SV10GB1-4X/
      力士乐单向阀R900455015 SV10GA2-4X/
      力士乐单向阀R900455927 SV52FA1-1X//12
      力士乐单向阀R900457909 SV52FA1-1X/V/12
      力士乐单向阀R900459915 SV10PA3-4X/
      力士乐单向阀R900462117 SV10GA1-4X/V/12
      力士乐单向阀R900463364 SV10PA1-4X/V
      力士乐单向阀R900464707 SV10PB3-4X/
      力士乐单向阀R900464954 SV10GB2-4X/
      力士乐单向阀R900465776 SV10GA1-4X/V
      力士乐单向阀R900466324 SV10PA3-4X/V
      R900467724 SV10PB1-4X/
      力士乐单向阀R900469459 SV52PA3-1X/
      R900470546力士乐单向阀 SV62FA1-1X/V/12
      力士乐单向阀R900477368 SV10GA2-4X/V/12
      力士乐单向阀R900481097 SV10GA1-4X//12
      力士乐单向阀R900481120 SV10GA2-4X/V
      力士乐单向阀R900483368 SV10GA1-4X/
      力士乐单向阀R900483369 SV10PA1-4X/
      力士乐单向阀R900500094 SV20PA1-4X/V
      力士乐单向阀R900500292 SV20GA1-4X/V
      力士乐单向阀R900500892 SV30PA1-4X/V
      力士乐单向阀R900501333 SV15GB1-4X/
      力士乐单向阀R900501468 SV20PB3-4X/
      力士乐单向阀R900501701 SV20PB1-4X/
      力士乐单向阀R900501802 SV20PB2-4X/
      力士乐单向阀R900502112 SV30PA2-4X/V
      力士乐单向阀R900502240 SV30PB1-4X/
      力士乐单向阀R900502332 SV25GA1-4X//12
      力士乐单向阀R900503632 SV15GA1-4X//12
      力士乐单向阀R900508425 SV20GA1-4X//12
      力士乐单向阀R900511197 SV20GA4-4X/
      力士乐单向阀R900514060 SV10GA3-4X//12
      力士乐单向阀R900515645 SV30PB3-4X/
      力士乐单向阀R900517536 SV30GA1-4X//12
      力士乐单向阀R900517582 SV20PB2-4X/V
      力士乐单向阀R900518319 SV20GA2-4X//12
      力士乐单向阀R900518477 SV20GA1-4X/V/12
      力士乐单向阀R900527645 SV30GA1-4X/V
      力士乐单向阀R900528711 SV30GA2-4X//12
      力士乐单向阀R900532575 SV15GA1-4X/V/12
      力士乐单向阀R900560697 SV30GB1-4X//12
      力士乐单向阀R900561890 SV25GA1-4X/V/12
      力士乐单向阀R900566627 SV20PA2-4X/V
      力士乐单向阀R900566670 SV10GB3-4X//12
      力士乐单向阀R900571302 SV30GB3-4X/
      力士乐单向阀R900575441 SV52FA3-1X/V/12
      力士乐单向阀R900582578 SV10PB2-4X/V
      力士乐单向阀R900587549 SV15GA1-4X/
      力士乐单向阀R900587550 SV20GA1-4X/
      力士乐单向阀R900587551 SV25GA1-4X/
      力士乐单向阀R900587552 SV30GA1-4X/
      力士乐单向阀R900587557 SV20PA1-4X/
      力士乐单向阀R900587558 SV30PA1-4X/
      力士乐单向阀R900596177 SV10GA4-4X/
      力士乐单向阀R900598342 SV20PA3-4X/
      力士乐单向阀R900598553 SV20GB1-4X/
      力士乐单向阀R900599456 SV30PA2-4X/
      力士乐单向阀R900599535 SV20PA2-4X/
      力士乐单向阀R900599647 SV30PB2-4X/
      力士乐单向阀R900599743 SV30GB1-4X/
      力士乐单向阀R900761841 SV25GB2-4X//12
      力士乐单向阀R900987025 SV20PA4-4X/V
      力士乐单向阀R901003637 SV62FA3-1X/V/12
      力士乐单向阀R901019898 SV15GA4-4X//12
      力士乐单向阀R978002992 SV25GB1-4X/V/12
      力士乐单向阀R978856677 SV10GB1-4X/V/12
      力士乐单向阀R978864037 SV10GB4-4X/12
      力士乐单向阀R978865277 SV15GA2-4X/V/12
      力士乐单向阀R978867297 SV10GB2-4X/12
      力士乐单向阀R978872250 SV20GB1-4X/V/12
      力士乐单向阀R978892121 SV25GB1-4X/12
      力士乐单向阀R978897606 SV20GB2-4X/12
      力士乐单向阀R978899303 SV30GB2-4X/12
      力士乐单向阀R978903236 SV30GB2-4X/V/12
      力士乐单向阀R978905884 SV10GA4-4X/12
      力士乐单向阀R978906849 SV30GA2-4X/V/12
      力士乐单向阀R978910038 SV30GA4-4X/V/12
      力士乐单向阀R978912051 SV25GA4-4X/12
      力士乐单向阀R978914280 SV15GA4-4X/12
      力士乐单向阀R978917483 SV30PA3-4X/V


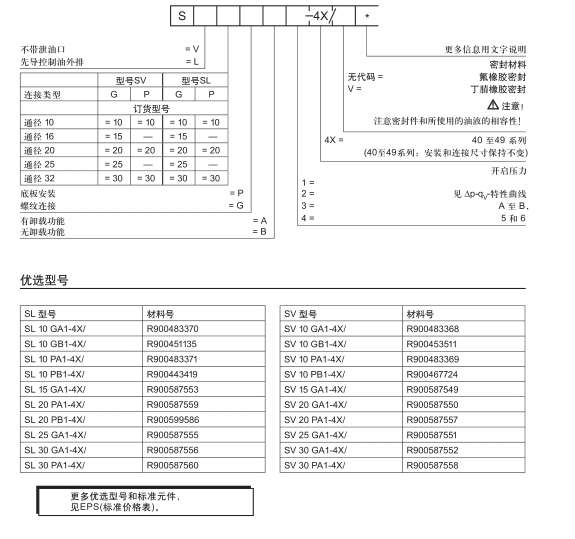
      SV6PB1-6X/力士乐单向阀选型表


      SL单向阀
      力士乐单向阀R900058475 SL30PB2-4X/V
      力士乐单向阀R900059314 SL62FA2-1X//12
      力士乐单向阀R900062179 SL10GA1-4X/V/12
      力士乐单向阀R900081473 MSL2G2X/315
      力士乐单向阀R900206275 SL15GB1-4X/V/12
      力士乐单向阀R900208944 SL52FB1-1X//12
      力士乐单向阀R900223516 SL20GA1-4X/V/12
      力士乐单向阀R900223713 SL25GA3-4X//12
      力士乐单向阀R900225859 SL30GA1-4X/V/12
      力士乐单向阀R900375294 SL62PA1-1X/V
      力士乐单向阀R900386956 MSL2A2X/180
      力士乐单向阀R900389426 MSL2A2X/180V
      力士乐单向阀R900393896 MSL2A2X/315
      力士乐单向阀R900403579 SL10PA4-4X/V
      力士乐单向阀R900406641 SL10PB1-4X/V
      力士乐单向阀R900419510 SL10PA4-4X/
      力士乐单向阀R900438637 SL10PB3-4X/
      力士乐单向阀R900440639 SL62PA1-1X/
      力士乐单向阀R900442260 SL10PA2-4X/
      力士乐单向阀R900443048 SL52PA3-1X/
      力士乐单向阀R900443418 SL10PA3-4X/
      力士乐单向阀R900443419 SL10PB1-4X/
      力士乐单向阀R900443833 SL82FA1-1X/
      力士乐单向阀R900444065 SL52PA2-1X/
      力士乐单向阀R900444217 SL52PA1-1X/
      R900444533 SL82PA1-1X/
      R900445826 SL10GA4-4X/
      R900447049 SL52PB1-1X/
      R900447726 SL10GB3-4X/
      R900448378 SL10GA1-4X//12
      R900451135 SL10GB1-4X/
      R900451335 SL10PB4-4X/
      R900454520 SL10GA3-4X/
      R900454680 SL62PA2-1X/
      R900455928 SL62FA1-1X//12
      R900457386 SL10PB2-4X/
      R900457388 SL10PA1-4X/V
      R900457908 SL52FA1-1X/V/12
      R900469284 SL62FA1-1X/V/12
      R900472205 SL52PA1-1X/V
      R900474395 SL10GB2-4X/
      R900483370 SL10GA1-4X/
      R900483371 SL10PA1-4X/
      R900500093 SL20GB2-4X/
      R900500095 SL30PA1-4X/V
      R900500208 SL20PB2-4X/
      R900500296 SL15GA2-4X/
      R900500298 SL20GB1-4X/
      R900500527 SL20PB3-4X/
      R900500616 SL25GB2-4X/
      R900500618 SL30GA2-4X/
      R900500870 SL20PA2-4X/V
      R900500952 SL15GB1-4X/
      R900501547 SL20PA1-4X/V
      R900501652 SL30PA4-4X/
      R900502331 SL30GA1-4X//12
      R900502670 SL10GA2-4X/V
      R900503225 SL15GA1-4X/V
      R900503385 SL30GB2-4X/V/12
      R900503740 SL30PB2-4X/
      R900505807 SL30PB3-4X/
      R900507043 SL10GB1-4X//12
      R900508354 SL30PB1-4X/V
      R900508963 SL20GA1-4X//12
      R900509458 SL20PB1-4X/V
      R900513491 SL30PB4-4X/
      R900513545 SL20PB4-4X/
      R900514206 SL30PA2-4X/V
      R900514645 SL10PB2-4X/V
      R900514669 SL20PA4-4X/V
      R900518694 SL30PA3-4X/V
      R900521462 SL10GA2-4X//12
      R900524353 SL15GA1-4X//12
      R900524635 SL25GA1-4X//12
      R900527575 SL10PB4-4X/V
      R900528010 SL30GA2-4X/V
      R900537308 SL25GA2-4X/V
      R900550802 SL10GB4-4X/V/12
      R900563871 SL52PB3-1X/V
      R900564927 SL30PB3-4X/V
      R900582730 SL10GB1-4X/V/12
      R900584744 SL52FA1-1X//12
      R900586396 SL10PA2-4X/V
      R900587553 SL15GA1-4X/
      R900587554 SL20GA1-4X/
      R900587555 SL25GA1-4X/
      R900587556 SL30GA1-4X/
      R900587559 SL20PA1-4X/
      R900587560 SL30PA1-4X/
      R900590651 SL6PB3-6X/
      R900599473 SL30PA2-4X/
      R900599536 SL20PA2-4X/
      R900599553 SL30PA3-4X/
      R900599586 SL20PB1-4X/
      R900599606 SL20PA3-4X/
      R900599965 SL25GB1-4X/
      R900599968 SL30PB1-4X/
      R900618415 SL15GA2-4X//12
      R900618416 SL20GA2-4X//12
      R900717664 SL30GA4-4X//12
      R900724680 SL30GA2-4X//12
      R900739256 SL52FA3-1X//12
      R900769195 SL30GA2-4X/V/12
      R900989478 SL25GB1-4X//12
      R901188104 SL20PA1-4X/6U
      R978006496 SL20GA2-4X/V/12
      R978014265 SL10GA2-4X/V/12
      R978865784 SL30GB3-4X/12
      R978866082 SL30GB1-4X/12
      R978869966 SL25GA1-4X/V/12
      R978878912 SL15GB2-4X/12
      R978878966 SL10GB2-4X/12
      R978893430 SL15GB1-4X/12
      R978896552 SL15GA1-4X/V/12
      R978902083 SL20GA3-4X/12
      R978902501 SL15GB4-4X/V/12
      R978910923 SL30GB3-4X/V/12
      R978911873 SL20GB3-4X/12
      R978915055 SL25GB3-4X/V/12
      R987052926 SL20GA2-4X/12

      M-SR单向阀
      R900301890 M-SR8KD05-1X/
      R900301891 M-SR10KD05-1X/
      R900301892 M-SR15KD05-1X/
      R900301893 M-SR20KD05-1X/
      R900301895 M-SR30KD05-1X/
      R900301898 M-SR10KD15-1X/
      R900301899 M-SR15KD15-1X/
      R900301902 M-SR30KD15-1X/
      R900301908 M-SR25KD30-1X/
      R900340979 M-SR20KE05-1X/
      R900344549 M-SR10KE05-1X/
      R900344778 M-SR25KE05-1X/
      R900344919 M-SR30KE05-1X/
      R900345372 M-SR15KE05-1X/
      R900345743 M-SR30KE02-1X/
      R900345744 M-SR20KE02-1X/
      R900345745 M-SR10KE02-1X/
      R900345961 M-SR30KE30-1X/
      R900346082 M-SR15KE30-1X/
      R900346083 M-SR8KE05-1X/
      R900346343 M-SR10KE50-1X/V
      R900346391 M-SR25KE30-1X/
      R900346638 M-SR20KE30-1X/
      R900346857 M-SR10KE15-1X/
      R900346858 M-SR15KE15-1X/
      R900346859 M-SR20KE15-1X/
      R900346936 M-SR10KE30-1X/
      R900348143 M-SR8KE15-1X/
      R900348318 M-SR20KE50-1X/
      R900348329 M-SR8KE30-1X/
      R900348453 M-SR25KE15-1X/
      R900348632 M-SR10KE05-1X/V
      R900348666 M-SR30KE15-1X/
      R900348818 M-SR15KE50-1X/
      R900348943 M-SR15KE02-1X/
      R900349973 M-SR30KE50-1X/
      R900350794 M-SR15KE05-1X/V
      R900350795 M-SR20KE05-1X/V
      R900350796 M-SR30KE50-1X/V
      R900350797 M-SR30KE05-1X/V
      R900350936 M-SR20KE00-1X/
      R900351943 M-SR25KE50-1X/
      R900352608 M-SR30KE00-1X/
      R900356258 M-SR8KE50-1X/
      R900356291 M-SR10KE00-1X/
      R900356765 M-SR25KE50-1X/V
      R900356969 M-SR30KE30-1X/V
      R900356970 M-SR30KE02-1X/V
      R900357438 M-SR8KE02-1X/
      R900357445 M-SR25KE05-1X/V
      R900357718 M-SR8KE05-1X/V
      R900357739 M-SR25KE02-1X/
      R900360254 M-SR15KE00-1X/
      R900361251 M-SR8KE02-1X/V
      R900361981 M-SR8KE00-1X/
      R900361982 M-SR10KE50-1X/
      R900361983 M-SR25KE00-1X/
      R900365215 M-SR8KD02-1X/
      R900374787 M-SR10KE02-1X/V
      R900377614 M-SR20KE02-1X/V
      R900379888 M-SR30KE15-1X/V
      R900382674 M-SR20KE00-1X/V
      R900385859 M-SR25KE30-1X/V
      R900387662 M-SR15KE15-1X/V
      R900390429 M-SR15KE02-1X/V
      R900397443 M-SR8KE15-1X/V
      R900420865 M-SR20KE30-1X/V
      R900422425 M-SR10KE15-1X/V
      R900430077 M-SR8KE50-1X/V
      R900483387 M-SR8KE30-1X/V
      R900484616 M-SR10KE00-1X/V
      R900500220 M-SR25KE15-1X/V
      R900593255 M-SR25KE02-1X/V

      DBD溢流阀
      R900423712,DBDS30P1X/100
      R900423713,DBDS30P1X/100V
      R900423714,DBDS30P1X/200
      R900423715,DBDS30P1X/315
      R900423716,DBDS30P1X/50
      R900082639,DBDS10K1X/25P15
      R900208779,DBDA2K2X/315
      R900331916,DBDH10K1X/630V
      R900334105,DBDA6K1X/315V
      R900334729,DBDH20K1X/25V
      R900340153,DBDS10G1X/25V/12
      R900340488,DBDS10G1X/315V/12
      R900341066,DBDS6G1X/200/12
      R900341363,DBDS10G1X/100/12
      R900341591,DBDS10G1X/200/12
      R900342738,DBDS10G1X/400/12
      R900343869,DBDH10K1X/400V
      R900343871,DBDH6G1X/200V/12
      R900343963,DBDS10G1X/200V/12
      R900345310,DBDH6G1X/200/12
      R900345502,DBDS20G1X/200/12
      R900346720,DBDS20G1X/100/12
      R900347093,DBDS6G1X/50/12
      R900347284,DBDS6G1X/400/12
      R900347546,DBDH6G1X/50/12
      R900347687,DBDS10G1X/50/12
      R900349041,DBDS10G1X/100V/12
      R900350325,DBDS15G1X/25/12
      R900351411,DBDS10G1X/25/12
      R900352113,DBDS30G1X/200/12
      R900352663,DBDH10G1X/630/12
      R900352672,DBDS6G1X/315/12
      R900353041,DBDS15G1X/400/12
      R900356476,DBDS20G1X/315/12
      R900361835,DBDH6P1X/315V
      R900366796,DBDH6G1X/100/12
      R900367037,DBDS20G1X/25/12
      R900368990,DBDS30G1X/315V/12
      R900369757,DBDH10G1X/400/12
      R900369758,DBDH10G1X/315/12
      R900369921,DBDS15G1X/100/12
      R900370050,DBDS6G1X/25/12
      R900375503,DBDS15G1X/200/12
      R900377746,DBDS10G1X/315/12
      R900377967,DBDS30G1X/100/12
      R900379694,DBDS20G1X/50/12
      R900381021,DBDA20K1X/100V
      R900383671,DBDS6G1X/315V/12
      R900385305,DBDH6G1X/400/12
      R900387940,DBDH6G1X/315V/12
      R900387959,DBDS30G1X/25/12
      R900393177,DBDS25G1X/200/12
      R900393748,DBDH6G1X/25/12
      R900395057,DBDH10G1X/25/12
      R900395059,DBDH6G1X/400V/12
      R900395060,DBDS10G1X/400V/12
      R900397459,DBDS20G1X/200V/12
      R900403701,DBDH10G1X/100V
      R900406900,DBDH10K1X/25V
      R900420245,DBDS6K1X/25
      R900420276,DBDS10K1X/25
      R900420662,DBDA6G1X/400V
      R900422542,DBDS20K1X/25
      R900422543,DBDS30K1X/25
      R900422544,DBDS20G1X/25
      R900423711,DBDS30K1X/50V
      R900423712,DBDS30P1X/100
      R900423713,DBDS30P1X/100V
      R900423714,DBDS30P1X/200
      R900423715,DBDS30P1X/315
      R900423716,DBDS30P1X/50
      R900423717,DBDS6G1X/100
      R900423718,DBDS6G1X/25
      R900423719,DBDS6G1X/200
      R900423720,DBDS6G1X/315
      R900423721,DBDS6G1X/400
      R900423722,DBDS6G1X/50
      R900423723,DBDS6K1X/100
      R900423724,DBDS6K1X/200
      R900423725,DBDS6K1X/315
      R900423726,DBDS6K1X/400
      R900423727,DBDS6K1X/50
      R900423728,DBDS6P1X/100
      R900423729,DBDS6P1X/200
      R900423730,DBDS6P1X/315
      R900423731,DBDS6P1X/400
      R900423732,DBDS6P1X/50
      R900423733,DBDS8G1X/100
      R900423734,DBDS8G1X/200
      R900423735,DBDS8G1X/315
      R900423743,DBDS10G1X/25
      R900423758,DBDS30G1X/100V
      R900423780,DBDA6K1X/25
      R900423860,DBDA10G1X/100
      R900423871,DBDA20K1X/100
      R900423889,DBDS10G1X/25V
      R900423891,DBDH10K1X/100
      R900424082,DBDS20K1X/315V
      R900424108,DBDH20G1X/50
      R900424109,DBDH20K1X/100
      R900424112,DBDH20K1X/50
      R900424140,DBDS10G1X/200
      R900424146,DBDS10G1X/50V
      R900424147,DBDS10K1X/100
      R900424148,DBDS10K1X/100V
      R900424149,DBDS10K1X/200
      R900424150,DBDS10K1X/315
      R900424151,DBDS10K1X/315V
      R900424152,DBDS10K1X/400
      R900424153,DBDS10K1X/50
      R900424154,DBDS10K1X/50V
      R900424155,DBDS10P1X/100
      R900424157,DBDS10P1X/200
      R900424158,DBDS10P1X/315
      R900424159,DBDS10P1X/315V
      R900424162,DBDS15G1X/100
      R900424163,DBDS15G1X/200
      R900424165,DBDS15G1X/315
      R900424167,DBDS15G1X/50
      R900424172,DBDS20G1X/200
      R900424174,DBDS20G1X/315
      R900424175,DBDS20G1X/400
      R900424178,DBDH10G1X/200
      R900424183,DBDH10K1X/315
      R900424184,DBDH10K1X/400
      R900424185,DBDH10K1X/50
      R900424188,DBDH10G1X/100
      R900424189,DBDH10G1X/315
      R900424190,DBDH10K1X/200
      R900424195,DBDH6G1X/100
      R900424196,DBDH6G1X/200
      R900424197,DBDH6G1X/315
      R900424198,DBDH6G1X/50
      R900424199,DBDH6K1X/100
      R900424200,DBDH6K1X/200
      R900424201,DBDH6K1X/315
      R900424202,DBDH6K1X/400
      R900424203,DBDS20K1X/400
      R900424204,DBDS20K1X/400V
      R900424205,DBDS20K1X/50
      R900424241,DBDH30K1X/100
      R900424246,DBDH6P1X/100
      R900424261,DBDS30G1X/315
      R900424262,DBDS30G1X/50
      R900424264,DBDS25G1X/200
      R900424265,DBDS25G1X/315
      R900424266,DBDH6P1X/315
      R900424267,DBDS20K1X/100
      R900424268,DBDS20K1X/100V
      R900424269,DBDS20K1X/200
      R900424270,DBDS20K1X/200V
      R900424271,DBDS20K1X/315
      R900424272,DBDS20P1X/50
      R900424273,DBDS20K1X/50V
      R900424274,DBDS20P1X/100
      R900424276,DBDS20G1X/50
      R900424277,DBDS20P1X/200
      R900424278,DBDS20P1X/315
      R900424279,DBDS20P1X/400
      R900424281,DBDS30G1X/200
      R900424282,DBDS30K1X/50
      R900424283,DBDS30K1X/315V
      R900424284,DBDS30K1X/100
      R900424285,DBDS30K1X/100V
      R900424286,DBDS30K1X/200
      R900424287,DBDS30K1X/200V
      R900424288,DBDS30K1X/315
      R900424321,DBDS6K1X/200V
      R900424348,DBDH6G1X/400
      R900424734,DBDH6K1X/50
      R900424738,DBDS10G1X/100
      R900424741,DBDS10G1X/200V
      R900424742,DBDS10G1X/315
      R900424743,DBDS10G1X/315V
      R900424744,DBDS10G1X/400
      R900424745,DBDS10G1X/50
      R900425076,DBDA6G1X/100
      R900425080,DBDA6K1X/100
      R900425081,DBDA6K1X/200
      R900425082,DBDA6K1X/315
      R900425083,DBDA6K1X/50
      R900425161,DBDA10K1X/100
      R900425162,DBDA10K1X/200
      R900425164,DBDA10K1X/315
      R900425165,DBDA10K1X/400
      R900425660,DBDS10P1X/400
      R900425661,DBDS10P1X/50
      R900425678,DBDA10G1X/100/12
      R900425966,DBDA10K1X/50
      R900426477,DBDA6G1X/200
      R900426478,DBDA6G1X/315
      R900426835,DBDA10K1X/630
      R900426897,DBDH6G1X/25
      R900426898,DBDS15G1X/25
      R900426901,DBDH10P1X/100
      R900427242,DBDH6P1X/200
      R900427243,DBDS30G1X/25
      R900427600,DBDH6K1X/25
      R900427601,DBDS10K1X/630
      R900427603,DBDS8G1X/400
      R900427604,DBDS20G1X/50V
      R900427605,DBDH6G1X/315V
      R900427940,DBDS10K1X/200V
      R900428382,DBDA6G1X/400
      R900428387,DBDA6K1X/400
      R900428388,DBDS6K1X/315V
      R900428612,DBDS20G1X/400V/12
      R900428843,DBDH6P1X/50V
      R900429050,DBDS6P1X/100V
      R900429168,DBDS30P1X/315V
      R900429414,DBDS6P1X/25
      R900429939,DBDS6K1X/50V
      R900430263,DBDS30P1X/200V
      R900430305,DBDA10K1X/25
      R900431964,DBDH20G1X/25
      R900432465,DBDA6G1X/25
      R900433216,DBDS6G1X/315V
      R900433807,DBDH10K1X/630
      R900433929,DBDS25G1X/25
      R900434128,DBDH6P1X/400
      R900434865,DBDA10K1X/315V
      R900435016,DBDS10P1X/200V
      R900435222,DBDH10K1X/25
      R900435450,DBDS6P1X/315V
      R900436044,DBDA20G1X/100
      R900436516,DBDS30G1X/315V
      R900437348,DBDS6G1X/200V
      R900437349,DBDS10G1X/400V
      R900437466,DBDH10K1X/200V
      R900437810,DBDS20P1X/315V
      R900438610,DBDS6P1X/50V
      R900438611,DBDS6P1X/25V
      R900438939,DBDS6K1X/400V
      R900439957,DBDS20P1X/50V
      R900441034,DBDS6K1X/100V
      R900441778,DBDH6G1X/200V
      R900445875,DBDH30K1X/25
      R900447684,DBDS20P1X/200V
      R900447890,DBDH6K1X/315V
      R900456003,DBDS10P1X/400V/12
      R900457420,DBDS10K1X/400V
      R900458278,DBDH6G1X/315/12
      R900458682,DBDS15G1X/315/12
      R900459771,DBDS6P1X/400V
      R900460667,DBDA10K1X/100V
      R900460668,DBDS6K1X/25V
      R900462393,DBDS10K1X/25V
      R900462948,DBDS30K1X/25V
      R900463844,DBDA20K1X/25
      R900464875,DBDS20P1X/400V
      R900466343,DBDS6P1X/200V
      R900468547,DBDH6K1X/200V
      R900471398,DBDH10K1X/315V
      R900473979,DBDH20K1X/50V
      R900474243,DBDS20K1X/25V
      R900476358,DBDH6G1X/100V
      R900476862,DBDH6K1X/400V
      R900478124,DBDS10P1X/25V
      R900478418,DBDH6K1X/50V
      R900478419,DBDH10K1X/50V
      R900478420,DBDH10K1X/100V
      R900478421,DBDH20K1X/100V
      R900478766,DBDS20G1X/400V
      R900486363,DBDS6G1X/100/12
      R900491662,DBDS10P1X/400V
      R900493801,DBDA10K1X/25V
      R900496034,DBDS10K1X/630V
      R900505707,DBDS10P1X/200/12
      R900516549,DBDH8G1X/400/12
      R900519095,DBDS8G1X/100/12
      R900526571,DBDH15G1X/100V
      R900526752,DBDS25G1X/50/12
      R900533774,DBDS30G1X/25V/12
      R900534613,DBDS15G1X/50/12
      R900534735,DBDS20G1X/100V/12
      R900537103,DBDS10P1X/50/12
      R900538478,DBDA6G1X/200V/12
      R900539104,DBDS6P1X/100/12
      R900539105,DBDS20P1X/200/12
      R900548291,DBDS25G1X/25/12
      R900553183,DBDS10P1X/315V/12
      R900562029,DBDH15G1X/50V/12
      R900567596,DBDH10G1X/200V/12
      R900581024,DBDS8G1X/25/12
      R900582716,DBDH8G1X/200V/12
      R900596810,DBDS10P1X/315/12
      R900704056,DBDH10P1X/400/12
      R900712021,DBDS6P1X/50V/12
      R900724824,DBDS6G1X/400V/12
      R900730864,DBDS4K1X/200-090SO156
      R900753782,DBDS30P1X/200/12
      R900755434,DBDS30G1X/50/12
      R900768637,DBDS6K1X/210E
      R900769291,DBDS30K1X/315E
      R900769362,DBDS6K1X/250E
      R900769369,DBDS6K1X/100E
      R900769379,DBDS10G1X/210E
      R900769396,DBDH6G1X/140E
      R900769412,DBDS20G1X/315E
      R900769414,DBDS10K1X/160E
      R900769430,DBDS10G1X/315E
      R900769437,DBDS10K1X/400E
      R900769485,DBDH6K1X/140E
      R900769487,DBDH6K1X/170E
      R900769494,DBDS6K1X/150VE
      R900769543,DBDS10P1X/350E
      R900769552,DBDS20K1X/200E
      R900769553,DBDS6G1X/350E
      R900769568,DBDH6K1X/315E
      R900769573,DBDS30G1X/315E
      R900769601,DBDS30K1X/290E
      R900769602,DBDS6G1X/75E
      R900769618,DBDH20K1X/200E
      R900769619,DBDS10G1X/100E
      R900772531,DBDS20K1X/100VE
      R900772555,DBDS10K1X/230VE
      R900773220,DBDS20K1X/160E
      R900774983,DBDH30P1X/100/12
      R900775594,DBDA6G1X/100/12
      R900776200,DBDS6K1X/35E
      R900776422,DBDH6K1X/280E
      R900781324,DBDH10G1X/100/12
      R900783589,DBDS10P1X/25/12
      R900904277,DBDS25G1X/315/12
      R900915548,DBDS25G1X/100/12
      R900918223,DBDS6G1X/25V/12
      R900923476,DBDH6G1X/315JV/12
      R900924604,DBDS6P1X/400/12
      R900946276,DBDS6G1X/200V/12
      R900948362,DBDS6P1X/200/12
      R900951905,DBDH15G1X/50/12
      R900951906,DBDH15G1X/100/12
      R900957029,DBDS6P1X/200V/12
      R900965226,DBDA6G1X/315/12
      R900970706,DBDA15G1X/25V/12
      R900973016,DBDH10G1X/50/12
      R900975431,DBDS20P1X/400/12
      R901002481,DBDS30K1X/280VE
      R901013633,DBDS30P1X/200E
      R901018399,DBDH6K1X/25SO127
      R901073006,DBDA8G1X/50V
      R901082131,DBDS20G1X/315SO157
      R901094676,DBDS30K1X/205VE
      R901124724,DBDS10G1X/315V/12E
      R901161710,DBDA20G1X/50/12
      R901196638,DBDH6G1X/130E
      R978018463,DBDA10G1X/50/12
      R978021672,DBDH10G1X/25V/12
      R978841293,DBDH10P1X/50/12
      R978850999,DBDH10G1X/200/12
      R978851085,DBDH6G1X/100V/12
      R978851250,DBDS20G1X/315V/12
      R978851355,DBDH20G1X/400V/12
      R978851993,DBDS10P1X/100/12
      R978852760,DBDH20G1X/25V/12
      R978853413,DBDS20G1X/25V/12
      R978853736,DBDH6G1X/50V/12
      R978853904,DBDA6G1X/200/12
      R978854396,DBDS10P1X/100V/12
      R978854507,DBDA6G1X/50/12
      R978854950,DBDS10P1X/400/12
      R978855046,DBDS30G1X/50V/12
      R978855256,DBDA10G1X/25V/12
      R978855408,DBDS15G1X/25V/12
      R978855703,DBDH20G1X/100/12
      R978855704,DBDH20G1X/200/12
      R978855865,DBDH20G1X/315V/12
      R978856028,DBDS15G1X/100V/12
      R978856141,DBDH10G1X/400V/12
      R978856475,DBDH10G1X/50V/12
      R978856863,DBDH10P1X/315/12
      R978856971,DBDA6G1X/315V/12
      R978857020,DBDH20G1X/315/12
      R978857484,DBDA6G1X/25/12
      R978857728,DBDS10P1X/200V/12
      R978858535,DBDA6G1X/100V/12
      R978858863,DBDS30G1X/200V/12
      R978859724,DBDH15G1X/25V/12
      R978860088,DBDS15G1X/200V/12
      R978863998,DBDH10G1X/100V/12
      R978864558,DBDH20G1X/400/12
      R978870646,DBDH10P1X/100/12
      R978872129,DBDS15G1X/50V/12
      R978872400,DBDA10G1X/25/12
      R978875589,DBDA10P1X/50/12
      R978875636,DBDA10G1X/315/12
      R978878318,DBDA10P1X/25/12
      R978878334,DBDH20G1X/200V/12
      R978893070,DBDA10P1X/315/12
      R978893940,DBDA10P1X/400/12
      R978899654,DBDA15G1X/50V/12
      R978903207,DBDH10P1X/400V/12
      R978908560,DBDH30P1X/200/12
      R978908935,DBDH15G1X/200V/12
      R978910043,DBDH30G1X/25/12
      R978912229,DBDA10G1X/400V/12
      R978912709,DBDH25G1X/100/12
      R978914734,DBDS15G1X/400V/12
      R978916972,DBDH15G1X/25/12

      DB和DBW类型阀是插装结构先导式溢流阀 ,它们用于限制系统压力(DB)或限制和 电磁卸载(DBW只带螺纹连接
      )系统压力。 该阀组主要包括阀体和溢流阀插装元件。管路中的压力作用于阀芯,并经过节流孔同时作用于球
      阀芯。当管路中的压力超过弹簧设定的压力值时,球阀芯克服弹簧力开启。此时来自油口的油液经节流孔流入弹
      簧腔,并通过控制通道由外部引回油箱。由于在阀芯高压流体流动的平衡状态,油液经A口流向B口,同时保持设
      定的工作压力不变。DBW 型溢流阀(仅螺纹连接型)原则上功能与DB型相同。借助顶装方向阀可控制主阀卸荷。
      通径:10 25  30
      规格:1X ;4X   5X系列
      最高压力: 350bar   
      最高流量:400L/min
      温度范围:-30°C至+80°C
      适用介质:矿物油(HL, HLP) 按 DIN 51 524 和 DIN 51 525
      粘度范围:12-230mm2/S 
      DBW溢流阀
      力士乐溢流阀R900244659,DBW30A2-5X/100YU6EW110N9K4
      力士乐溢流阀R900245523,DBW30B2-5X/350X6EG24N9K4
      力士乐溢流阀R900247366,DBW30B1-5X/350-6EW110N9K4
      力士乐溢流阀R900249021,DBW30A2-5X/350X6EG24N9K4
      力士乐溢流阀R900503190,DBWC.2-5X/350
      力士乐溢流阀R900526396,DBW10.2-5X/350
      力士乐溢流阀R900546748,DBW10.2-5X/350V
      力士乐溢流阀R900550746,DBW20B2-5X/100U6EG24N9K4
      力士乐溢流阀R900597954,DBWC.2-5X/315

    0571-87774297