明丽5加仑升降式气动涂料搅拌机油类油墨胶水液体不锈钢搅拌器
明丽5加仑升降式气动涂料搅拌机油类油墨胶水液体不锈钢搅拌器
产品价格:¥750.00(人民币)
  • 规格:5加仑升降式搅拌机
  • 发货地:广东东莞
  • 品牌:
  • 最小起订量:1
  • 免费会员
    会员级别:试用会员
    认证类型:企业认证
    企业证件:通过认证

    商铺名称:东莞市东泽涂装工具有限公司

    联系人:(先生)

    联系手机:

    固定电话:

    企业邮箱:3494210343@qq.com

    联系地址:广东省东莞市长安镇横安路67号2栋501室

    邮编:

    联系我时,请说是在泵阀网上看到的,谢谢!

    商品详情
      产品参数
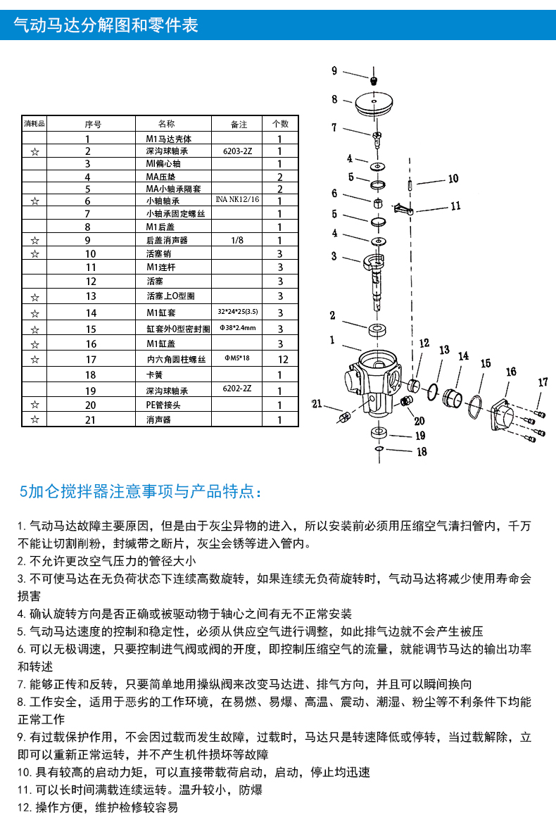
      产品型号5加仑手动式搅拌机(ML-5SSJ)
      类别5加仑手动式搅拌机(ML-5SSJ)
      产地中国
      别名手动搅拌机
      升降范围0-500mm
      叶片材质铝合金叶轮
      转速3600r/min
      建议搅拌容量4-40L
      耗气量110L/min
      使用周围温度-10-70℃
      适用范围油漆、墨水、胶水、化学药剂等涂料
      用途干粉、油类、油墨、胶水搅拌
      可用压力0.1-0.6Mpa
      重量2.6kg
      品牌明丽









    0571-87774297