智能数显压力开关
智能数显压力开关
产品价格:(人民币)
  • 规格:CYB602SK
  • 发货地:陕西西安市
  • 品牌:
  • 最小起订量:1只
  • 诚信商家
    会员级别:钻石会员
    认证类型:企业认证
    企业证件:通过认证

    商铺名称:西安新敏电子科技有限公司

    联系人:崔经理(先生)

    联系手机:

    固定电话:

    企业邮箱:1172591273@qq.com

    联系地址:陕西 西安 西安市西安市雁塔区电子西街3号

    邮编:710065

    联系我时,请说是在泵阀网上看到的,谢谢!

    商品详情

      一、产品简介

      CYB602SK智能数显压力开关是集压力测量、显示、输出、控制于一体的压力测控产品,该产品使用灵活,操作简单,调试方便,安全可靠。

      广泛应用于水电、石油、化工、机械等行业,对流体介质的压力进行现场测量、显示与控制。

      二、产品特点

      l 两路控制点现场可设

      l 4位LED显示 ,无视值误差

      l 全数字化,开关动作值全量程范围可调

      l 4~20mA两线制标准信号输出(可选)

      采用2088防爆外壳

      l 带声光报警器(可选)

      三、产品参数

      -100…0~35…100(KPa)

      4位数码管

      0~2、20、35……100(MPa)

      -1999~9999

      额定量程的1.5倍

      20~+85℃

      316L不锈钢兼容的各种气体、液体

       

      20~+70

      24VDC

      湿

      0~80%

      4-20mA+继电器输出(24VDC 3A/220VAC3A

       ±0.5%F.S

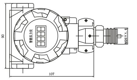
      外螺纹M20×1.5G1/2或用户自定


       四,外形结构

       

       

       

       

       

       

       

       

       

      五、产品选型

      CYB602SK

       

      智能数显压力开关

       

      G

       

      表压

       

      A

       

      绝压

       

      0~X (KPa或MPa)

       

      量程

       

      J05

       

      ±0.5%FS

       

      C1

       

      4~20mA输出

       

      C4

       

      两路继电器

       

      M1

       

      M20×1.5 外螺纹

       

      M2

       

      G1/2   外螺纹

       

      F5

      接线端子出线

       

    0571-87774297