希而科 供应Eaton/伊顿-TEF系列过滤器
希而科 供应Eaton/伊顿-TEF系列过滤器
产品价格:(人民币)
  • 规格:TEF-55-80G-EPG3O
  • 发货地:上海
  • 品牌:
  • 最小起订量:1件
  • 诚信商家
    会员级别:钻石会员
    认证类型:企业认证
    企业证件:通过认证

    商铺名称:希而科贸易(上海) 有限公司

    联系人:顾瑾雯()

    联系手机:

    固定电话:

    企业邮箱:office2@silkroad24.com

    联系地址:上海浦东新区川沙王桥路999号1034-1035幢

    邮编:201201

    联系我时,请说是在泵阀网上看到的,谢谢!

    商品详情

      希而科工业控制设备(上海)有限公司 
      希而科贸易(上海)有限公司
      联系人:顾瑾雯
      电话:021-20363011
      QQ:2850594263
      工作手机:18964582611
      E-mail:office2@silkroad24.com


      品牌介绍- Eaton

      在伊顿,我们致力于通过更加可靠、高效、安全和可持续的电源管理技术来改善人们的生活和环境,因为那才是真正重要的。 并且我们在这里确保它能正常工作,建筑物,车辆和机器都会开机,通电,启动或通电,而这一切都取决于确保安全,高效,可靠和可持续地工作是我们的工作,我们让重要的事情起作用。


      系列介绍

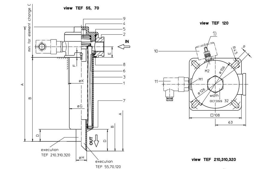
      回流线过滤器系列TEF 55-320的工作压力高达10bar。。压力峰值将被吸收 有足够的安全系数。

      TEF过滤器直接安装在水箱上,并与回流管道相连。连接到回流管道上。

      滤芯由一个星形的、打褶的过滤材料组成。

      滤芯由一个星形的褶皱过滤材料组成,其内部由一个带孔的核心管支撑,并与

      滤芯由一个星形的褶皱过滤材料组成,其内部由一个有孔的芯管支撑,并用高质量的胶粘剂粘在端盖上。流量是由外向内的。

      清洗不锈钢网状元件(见特刊21070-439448)。

      滤芯的清洁(见21070-439448-4专题小册子)或更换滤芯

      要清洗不锈钢网状滤芯(见21070-439448-4专题小册子)或更换滤芯,请卸下盖子并取出滤芯。不保证网状元件在清洗后能保持100%的性能。

      细于40微米的过滤器使用纸质或微玻璃制成的一次性元件。

      纸或微玻璃制成的一次性滤芯。

      可提供细至5μm(c)的过滤器元件;更细的过滤器元件请咨询。

      伊顿过滤元件被称为稳定的元件,它具有出色的过滤能力和高度的稳定性。

      具有出色的过滤能力和较高的纳污能力。

      因此有很长的使用寿命。由于其实用的设计,回流线过滤器很容易维修。

      伊顿过滤器可用于石油基液体、HW 乳液、水乙二醇、大多数合成液体和润滑油。润滑液。关于具体的液体应用,请咨询工厂。

      在更换滤芯时,滤头和滤杯之间有一个可拆卸的连接

      滤头和滤碗之间的可拆卸连接可防止脏油流入油箱。


      Eaton-TEF系列过滤器 选型问题

      1.标称尺寸有哪几种?

      55, 70, 120, 210, 310, 320

      2.过滤材料有哪几种?

      80G, 40G, 25G  不锈钢丝网

      25VG, 16VG, 10VG, 6VG, 3VG     微玻璃

      10P 纸张

      3.滤芯设计有哪几种?

      E   无旁通阀

      S   带旁通阀 2,0 bar

      S1  带旁通阀 3,5 bar

      4.密封材料有哪几种?

      P   NBR丁腈橡胶

      V   FPM氟橡胶

      5.滤芯规格有哪几种?

      -   标准

      IS06   HFC应用,见no.31601

      6.过程连接有哪种?

      G   符合DIN 3852T2的螺纹连接

      7.过程连接尺寸有哪几种?

      3   G ? TEF 55

      4   G ? TEF 70

      5   G 1 TEF 120

      6   G 1 ? TEF 210/310

      7   G 1 ? TEF 320

      8.8.M1 处的堵塞指示器有哪几种?

      -   无

      O   目视,见no.1616

      E1  压力开关,见no.1616

      E2  压力开关,见no.1616

      E5  压力开关,见no.1616

      PA  接地连接

      9.永磁体有哪几种?

      -   无

      M   带磁铁


      产品图片




      公司介绍

      SilkRoad24(希而科工业控制设备(上海)有限公司)最早源于1999年在德国Braunschweig市成立的德国Silkroad24 GmbH公司, “希而科”也是“Silk”的中文音译, 创始人CHEN GANG(拥有同济大学研究生及德国Darmstadt 大学工科硕士学位)曾任职德国西门子Automotive公司及德国大众汽车Wolfsburg总部近12 年, 谙熟德国工业自动化,大规模生产,物流的奥秘。

          2005 年希而科商务咨询(上海)有限公司在上海成立,作为瑞士Baumer 公司,德国Ahlborn, Knick, honsberg等多家欧洲公司的中国代理,希而科公司攒下了如何服务于中国工业自动化行业的宝贵经验,建立了一切以客户需求为出发点的服务宗旨。2006年为顺应中国客户对德国工业品零配件的需求,希而科贸易(上海)有限公司在浦东成立了, 利用公司总部在德国及多年与德国供应商贸易来往的优势,希而科公司在其代理品牌之外,开始为中国客户代理采购各行各业-主要是工业自动化及仪器仪表行业所需的备品备件。为适应客户小金额订单的需求,我们在德国源头作了拼单,集中代理采购,仓储,出欧盟集中报关等创新,让中国客户在欧洲零配件采购中除货价外的附加费用大幅度降低。

          2014 年成立了希而科工业控制设备(上海)有限公司,公司规模发展到近百人并搬进了中邦商务园近2000 平方米的希而科办公大楼。在互联网电商新一波浪潮中,客户在消费品领域得到满足的价格透明,采购无欺的需求也要求到了我们工业品采购行业。希而科工业控制设备(上海)有限公司目前正在集中处理客户询报价,积极寻找智能询报价的途径,争取早日满足中国客户在无仓储情况下对各种德国工业品零配件价格和货期的预知及供应。

      公司规模:100人左右

      公司模式:德国本土采购,德国仓库拼单操作,为客户节约了成本,提高了采购效率。提供100%原装正品,真正做到了让客户服务满意,采购放心。

      航班周期:每周安排航班,保证货物时效。

      货物包装:长期以来积累了大量货物运输包装经验,所有货物均在国内进行二次包装,规避国内运输风险。

      售后服务:客服,返修集中操作,完善的售后系统确保客户无后顾之忧。

      处理效率:ERP系统做单,可以提供订单全程查询。

    0571-87774297