LT942X型活塞式流量调节阀
LT942X型活塞式流量调节阀
产品价格:(人民币)
  • 规格:
  • 发货地:
  • 品牌:
  • 最小起订量:1
  • 诚信商家
    会员级别:钻石会员
    认证类型:企业认证
    企业证件:通过认证
    认证信息:上欧阀门有限公司

    商铺名称:上欧阀门有限公司

    联系人:徐经理(先生)

    联系手机:

    固定电话:

    企业邮箱:17372953@qq.com

    联系地址:浙江温州永嘉瓯北玛道东路39号

    邮编:100000

    联系我时,请说是在泵阀网上看到的,谢谢!

    商品详情

      产品概述

                  LT942X型活塞式流量调节阀是本公司技术人员在借鉴德国、日本先进经验,总结国内设计制造及实用经验的基础上,根据流体力学特性而开发出来的调速调压型阀门。LT942X型活塞式流量调节阀已经在电站、引水、供水等领域得到了广泛的应用。经过改进的本系列流量调节阀不但适用于清水,对于天然江河湖泊水、轻度污水具有良好的耐受能力。从设计结构和材料选用上解决了多年来流量调节阀易结垢,卡阻,驱动装置偏大的难题。 

       

      适用范围

      当前水力控制阀主要用在水厂、电厂、引水工程等介质为水的管网系统,起调节管道介质流量、流态以及调节管网压力的作用。

      产品特点

      1. 该阀最优于传统流量调节阀的特点就在于它的结构设计和材料选用使其不怕污水堵塞滑道,不怕结垢现象,不易卡阻。驱动装置明显减小。

      2. 该阀可自动调节预先设定的管道介质参数值,使之在一定精度内保持恒定,且精度范围也可以进行调整。

      3. 该阀具有良好的耐气蚀特性,阀体内壁的筋板兼有整流板的作用,可以分散水流,防止气蚀。同时,也减小了阀门的噪音和活塞的振动。

      4. 该阀的控制系统可采用集成电子电路,体积小,可靠性好,灵敏度高,安装调试方便。

      5. 全关渗漏量为零,可作为截止阀使用。不必另设其他截止阀门。

      6. 如控制程度及精度要求不是很高,该阀的控制可以采用手动或普通电动形式。

      7. 可以卧式安装,也可以立式安装。

      部件材料

      材料

      零件名称

      HT200HT250QT450-10

      阀体、端盖、连杆架、法兰管、曲柄

      2Cr131Cr18Ni9Ti

      阀杆、销轴、活塞

      1Cr18Ni9Ti

      阀体密封圈

      NBR

      活塞密封圈

      QT450-10

      连杆

      ZCuA10Fe3ZCuzN38Mn2Pb2

      轴承

      NBR

      填料

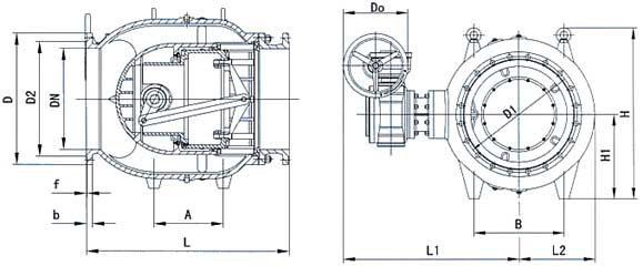
      结构示意图

      连接尺寸

      PN

      DN

      L

      L1

      L2

      H

      H1

      D0

      A

      B

       

      400

      800

      715

      308

      980

      335

      250

      345

      390

       

      450

      900

      749

      347

      1100

      400

      250

      410

      440

       

      500

      1000

      792

      383

      1180

      450

      300

      460

      500

       

      600

      1200

      847

      458

      1250

      500

      300

      510

      600

       

      700

      1400

      920

      528

      1390

      600

      300

      580

      700

       

      800

      1600

      980

      599

      1530

      700

      360

      680

      800

       

      900

      NG-LEFT: 1px; BORDER-LEFT: #f0f0f0; PADDING-RIGHT: 1px" valign="middle" width="76">

      1800

      1030

      674

      1650

      800

      360

      780

      900

       

       

      1000

      2000

      1105

      744

      1800

      900

      400

      860

      1000

       

      1200

      2400

      1375

      852

      2010

      1000

      400

      950

      1130

       

      1400

      2800

      1380

      1031

      2230

      1250

      400

      1250

      1380

       

      1600

      3200

      1490

      1183

      2480

      1450

      400

      1500

      1600

       

      1800

      3600

      1780

      1325

      2720

      1650

      400

      1750

      1750

       

      2000

      4000

      1910

      1476

      2930

      1850

      400

      2000

      1950

      服务承诺

      (1) 严格按照合同要求,提供符合设计标准,质量合格的产品。
      (2) 严格检查和控制原材料、原器件、配套件的进厂质量。
      (3) 保证所供设备加工工艺完善、检测手段完备。产品绝不带缺陷出厂。
      (4) 对涉及分包商的供货、质量、设备性能、技术接口、服务等方面问题全部责任。按合同规定的关键部件必须符合有关资质的要求,并经需方认可。
      (5) 按合同规定向监造单位提供有关部门标准和图纸,并为监造提供方便并对监造设备的停工待检部位提前7天通知需方及监造代表,需方所派监造是督促我方按标准生产合格产品,但并不减我方的一切质量责任。
      (6) 对设备制造过程中出现的质量缺陷及时向需方和监造代表通报、不隐瞒。若设备缺陷超过合同规定的标准,供方无条件更换。在安装和试运行过程中,设备出现质量问题,先处理问题,再分清责任,一切以满足工程进度需要为准则。
      (7) 为所供的设备在制造、运输、装卸过程中投保,-旦发生意外,我方将按需要对所供设备尽快进行免费更换、修理,直到需方满意为止。
      (8) 在开箱过程中如发现缺件及其他原因引起的零部件丢失,我方负责尽快免费补齐所缺零部件。在设备的安装、调试过程中以及今后在设备运行中发现的质量问题,如属我方原因,我方承担责任。
      (9) 按时向需方提供按合同规定的全部技术资料和图纸。有义务在必要时邀请需方参与我方的技术设计审核。
      (10) 按需方要求的时间到现场进行技术服务,指导需方按我方的技术资料和图纸的要求进行安装、试运行及试生产。
      (11) 对于需方先购的与合同设备有关的配套设备,我方主动提供满足设备接口要求的技术条件和资料。
      (12) 严格执行供需双方就有关问题召开会议的纪要或协议。
      (13) 按合同规定免费为需方举办有关设备安装、调试、使用、维护技术的业务培训班。
      (14) 加强售前、售中、售后服务,把"24小时服务"、"超前服务"、"全过程服务"、 "终身服务"贯彻在产品制造、安装、调试、大修的全过程。
      (15) 接到需方反映的质量问题信息后,在24小时之内作出答复或派出服务人员,尽快到达现场,做到用户对质量不满意,服务不停止。
      (16) 免费为产品提供终身维护,凡我厂用户,均建立了详尽的用户档案,我厂售后服务。人员实行定期回访,巡视制度,指导用户的日常维护,及时指出并解决可能出现的故障。
      (17) 随时满足需方对备品备件的要求,终身为用户提供质优价廉的零配件。

       

    0571-87774297