SADK多功能轴流式控制阀
SADK多功能轴流式控制阀
产品价格:(人民币)
  • 规格:
  • 发货地:
  • 品牌:
  • 最小起订量:1
  • 诚信商家
    会员级别:钻石会员
    认证类型:企业认证
    企业证件:通过认证
    认证信息:上欧阀门有限公司

    商铺名称:上欧阀门有限公司

    联系人:徐经理(先生)

    联系手机:

    固定电话:

    企业邮箱:17372953@qq.com

    联系地址:浙江温州永嘉瓯北玛道东路39号

    邮编:100000

    联系我时,请说是在泵阀网上看到的,谢谢!

    商品详情

      产品概述

      -、前言                               

      多功能轴流式控制阀亦称活塞阀,是我公司消化吸收国外技术的基础上,研制而成的zui新产品。它兼具流量控制、减压稳压控制、泄压持压控制、放空消能等多种功能。该阀结构新颖、性能先进、运行可靠,可广泛

      用于水利水电、冶金、石化、水司、市政、环保等行业各类供排水系统,也可用于油、气介质系统(以下简称控制阀)

      1、 减压/稳压:减压范围大,单级阀门即可从10Ma减压至0.lMa。并且阀门运行无噪声、气蚀。在高压自流供水、高压头水电站、深井矿等系统中,从压力管取水,经由本阀一级减压后即可向低压用手系统供水。

      2、 泄压/持压:通过上游压力传感控制,通过电动装置自动启闭阀门,流量与压力可调节范围广,可作为大型泵站、水轮发电机组旁通排放阀。同样具有无噪声、气蚀性能。

      3、 流量控制与截止:阀门在全开至全关行程中,阀门流量系统与阀门开度呈线性关系,即使在全关至10%开度行程内,仍具有良好的流量调节性能,通过下游流量计或人工手动控制,实现精确的流量调节。同时本阀具有截止功能, 密封效果优良。

      4、 放空、消能:该阀可直接安装与高压管网端口,作为消能排放阀门,水流通过阀门时,相互对碰并以宽广的锥形角扩散射出,通过空气的阻抗分解稀释,散失冲击能力,保护下游设施。并可添加束流罩,有效控制喷流方向。

      工作原理

      套筒置于阀体内腔上,通过导轨导引。水流从导流装置外流入,经过导流器上的喷流孔形成多束水流,在阀体中腔产出碰撞,达到消能的效果;节流发生在套筒边缘与导流器的孔口之间,由于孔内水流速度很高,所以导流器选用的材质高度耐磨与抗腐蚀;同时因为碰撞发生的阀体流道中腔,有效降低了气蚀和冲刷对阀体的影响,提高阀门使用寿命。主密封圈位于导流器的zui前端,套筒在全行程上被导引,当被推动穿过主密封圈至全关位置时,阀门前后的差压强迫主密封圈紧贴套筒外壁实现截断。套筒通过连杆的引导在阀体中腔内前后运动,阀杆借助曲柄与连杆传动,当执行机构驱动阀杆逆时钟转动时,套筒向后移动,开大阀门;当执行机构驱动阀杆顺时钟转动时,套筒向前移动,关小阀门。

                           图四 阀门消能原理示意图

      性能保证值

       技术参数(1MPa=10kgf/cm2)

      项目

      参数

      公称压力(MPa)

      0.6-6.3MPa

      泄漏量

      符合GB/T13927标准规定

      适用温度(℃)

      -29~120℃

      适用介质

      水、空气、天然气、煤气等

      多功能轴流式控制阀参数汇总表

      序号项目

      参数

      备注

      1

      阀门名称

      控制阀

      可配控制箱

      (减压/泄压/流量调节)

      2

      公称压力

      PN

      3

      壳体试验压力

      1.5PN

      4

      密封试验压力

      1.1PN

      7

      整定压力

      (减h/泄压工况)

      公称压力

      调节范围

      可按工况要求设定

      1.0 MPa

      0.05-0.9 MPa

      1.6 MPa

      0.05-1.4 MPa

      2.5 MPa

      0.05 -2.3 MPa

      4.0 MPa

      01-3.8 MPa

      6.3 MPa

      0.1-6.0 MPa


        

      结构特征

       多功能轴流式控制阀,甶阀体、阀杆、曲柄和套筒等主要部件组成。可根据工况选择是否带导流器装置,采用不锈钢制造的导流器固定在阀体中腔,导流器有导流槽式、导流叶片式和喷孔式;套筒活套在阀体中腔内并与阀杆连接,通过外控部件控制套筒的位置以调节阀门过流面积。外控部件可按照工况需求采用手动、电动、气动和液动等多种形式。

      图二导流叶片式

      多功能轴流式控制阀具有如下四种主要形式,其结构与应用范围如下:

      1、 柱塞式结构可广泛适用于水、油和气系统,结构简单、运行可靠、水头损失小,并且对介质清洁度要求较低,为zui常用形式。

      2、 导流叶片式适用于压差较大、气液混合等工况,运行平稳,气蚀低。

      3、 导流槽式结构具有优越的调节性能,可用于高压差系统与含悬浮颗粒等杂质的工况,防气蚀性能良好。

      4、 喷孔式结构调节性zui佳,对洁净介质在超高压差工况下的调流、减压效果zui优。 

      产品结构

      图一 阀门结构示意图

      部件材质

      序号

      名称

      材料

      序号

      名称

      材料

      1

      阀体

      球墨铸铁QT450-10 /铸钢WCB/不锈钢

      10

      吊环

      35#

      2

      曲柄

      不锈铜2Crl3

      11

      堵头

      不绣钢A2-70

      3

      驱动轴

      不锈钢2Crl3

      12

      执行机构

      手轮/智能型电装

      4

      连杆

      不绣钢2Crl3

      13

      密封压圈

      不锈钢2Cr13

      5

      套筒

      不锈钢304/316

      14

      密封件

      丁晴橡胶

      6

      套筒压盖

      不绣钢2Crl3

      15

      套筒导轨

      铝青铜 ZCuAll0Fe3

      7

      紧固件

      不绣钢A2-70

      16

      墨形密封件

      丁晴橡胶

      8

      曲轴支座

      不绣钢2Crl3

      17

      驱动销轴

      不锈钢2Cr13

      9

      驱动轴承

      铝青铜 ZCuAl10Fe3

       

       

       

      性能特点

      轴向对称流道:阀体采用了轴向对称流道,介质通过流线型内腔流入阀门,在阀门内任何位置的流道截面,流道形状均为圆环状。与传统阀门比较,套筒阀流道平顺,流体在任何开度下均无急剧转折,避免了不必要的流向改变,使噪音和紊流趋势明显降低,并减小阀门气蚀。

      压力平衡:由于多功能轴流式控制阀采用压力平衡套筒,使得操作套筒的轴向力与阀门两端的压差无关,因此使用较小的执行机构就能达到快动的目的(启闭力矩仅为普通闸阀、蝶阀等传动阀门的1/3-1/5)。

      调节效果好:近乎数字式控制,通过改变过流孔的数量实现流道面积的变化,具有良好的线性调节特性。

      电动控制系统

      1、压力传感器输出4-20mA直流信号,标定对应zui小压力值和zui大压力值。

      2、 将压力传感器输出反信号送入PLC处理,经PLC预设值比较后输出相应控制信号给电动执行装置,并驱动阀门运转至对应位置(阀门开度)。

      3、 PLC负责开度预定、反信号比较及控制;输出工作,电动执行器负责按PLC指令驱动阀门达到指定位置,控制精度由PLC设定,此方法为闭环控制,稳定可靠。

      4、电动执行器采用智能型,具有行程保护、力矩保护、缺相报警等多项功能。

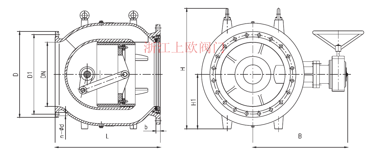
      结构尺寸

      PN1.0-PN2.5MPa多功能轴流式控制阀外型尺寸及连接尺寸表

      公称

      通径

      外形尺寸(标准值)

      连接尺寸(标准值)

      PN1.0 MPa

      PN1.6 MPa

      PN2.5 MPa

      L

      B

      H

      H1

      D

      D1

      n-Фd

      b

      D

      D1

      n-Фd

      b

      D

      D1

      n-Фd

      b

      100

      325

      210

      160

      80

      220

      180

      8-Ф18

      22

      220

      180

      8-Ф18

      22

      235

      190

      8-Ф22

      24

      125

      325

      240

      190

      100

      250

      210

      8-Ф18

      22

      250

      210

      8-Ф18

      22

      270

      220

      8-Ф26

      26

      150

      350

      290

      220

      150

      285

      240

      8-Ф22

      24

      285

      240

      8-Ф22

      24

      300

      250

      8-Ф26

      28

      200

      400

      330

      310

      190

      340

      295

      8-Ф22

      24

      340

      295

      12-Ф22

      24

      360

      310

      12-Ф26

      30

      250

      500

      330

      395

      230

      395

      350

      12-Ф22

      26

      405

      355

      12-Ф26

      26

      425

      370

      12-Ф30

      32

      300

      600

      420

      460

      260

      445

      400

      12-Ф22

      26

      460

      410

      12-Ф26

      28

      485

      430

      16-Ф30

      34

      350

      700

      510

      490

      300

      505

      460

      16-Ф22

      26

      520

      470

      16-Ф26

      30

      555

      490

      16-Ф33

      38

      400

      800

      655

      520

      335

      565

      515

      16-Ф26

      26

      580

      525

      16-Ф30

      32

      620

      550

      16-Ф36

      40

      450

      900

      750

      580

      345

      615

      565

      20-Ф26

      28

      640

      585

      20-Ф30

      40

      670

      600

      20-Ф36

      46

      500

      1050

      820

      640

      385

      670

      620

      20-Ф26

      28

      715

      650

      20-Ф33

      44

      730

      660

      20-Ф36

      48

      600

      1175

      970

      730

      460

      780

      725

      20-Ф30

      34

      840

      770

      20-Ф36

      54

      845

      770

      20-Ф39

      58

      700

      1320

      1050

      850

      500

      895

      840

      24-Ф30

      34

      910

      840

      24-Ф36

      40

      960

      875

      24-Ф42

      50

      800

      1480

      1215

      1020

      600

      1015

      950

      24-Ф33

      36

      1025

      950

      24-Ф39

      42

      1085

      990

      24-Ф48

      54

      900

      1700

      1350

      1270

      700

      1115

      1050

      28-Ф33

      38

      1125

      1050

      28-Ф39

      44

      1185

      1090

      28-Ф48

      58

      1000

      1900

      1560

      1390

      800

      1230

      1160

      28-Ф33

      38

      1255

      1170

      28-Ф42

      46

      1320

      1210

      28-Ф55

      62

      1200

      2100

      1750

      1510

      900

      1455

      1380

      32-Ф39

      44

      1485

      1390

      32-Ф48

      52

      1530

      1420

      32-Ф55

      70

      1400

      2420

      2100

      1625

      1000

      1675

      1590

      36-Ф42

      48

      1685

      1590

      36-Ф48

      58

      1755

      1640

      36-Ф60

      76

      1600

      2700

      2435

      1920

      1200

      1915

      1820

      40-Ф48

      52

      1930

      1820

      40-Ф55

      64

      1975

      1860

      40-Ф60

      84

      1800

      3070

      2670

      2110

      1400

      2115

      2020

      44-Ф48

      56

      2130

      2020

      44-Ф55

      68

       

       

       

       

      2000

      3250

      1980

      2310

      1600

      2325

      2230

      48-Ф48

      60

      2345

      2230

      48-Ф60

      70

       

       

       

       

      实物展示

    0571-87774297