GWXDF双向硬密封旋球阀
GWXDF双向硬密封旋球阀
产品价格:(人民币)
  • 规格:
  • 发货地:
  • 品牌:
  • 最小起订量:1
  • 诚信商家
    会员级别:钻石会员
    认证类型:企业认证
    企业证件:通过认证
    认证信息:上欧阀门有限公司

    商铺名称:上欧阀门有限公司

    联系人:徐经理(先生)

    联系手机:

    固定电话:

    企业邮箱:17372953@qq.com

    联系地址:浙江温州永嘉瓯北玛道东路39号

    邮编:100000

    联系我时,请说是在泵阀网上看到的,谢谢!

    商品详情

      产品概述

      ZXQF9247HR电动双向承压硬碰硬旋球阀不但能在正向压力下可靠地截断,在反向压力或反向压力远大于正向压力时同样能可靠地密封。该阀密封采用半球阀的结构和原理,外形采用蝶式结构,从而具有:体积小、重量轻的特征;并具有:双向硬密封、密封摩擦小、经久耐用、启闭轻便等性能,因此,性价比远高于半球阀。该阀门的成功开发与运用,是阀门行业的一次重大技术改进。广泛应用于水泵出口端、管网系统、回收水系统、高位水槽、易水淹的污水系统、防倒流系统等需双向密封的场合,可用于冶金、矿山、化、化工、电力、环保、市政等行业作为管路启闭和调节使用。在双向流系统中该阀门一台相当于两台普通单向密封阀门

      工作原理

      双向硬密封旋球阀广泛应用于水泵出口、管网系统特別是市政、消防等网状、环形管网,这此类双向流工况,该 阀一台相当于两台普通单向密封阀门,具有很高的性价比。可应用于冶金、石化、电力、化工、环保、市政等行业和 部门管网系统介质的启闭与调

      参数介绍

      驱动方式:

      代号

      3

      6

      7

      9

      驱动方式

      蜗轮蜗杆

      气动

      液动

      电动

      密封面材料:

      代号

      H

      R

      Y

      密封面材料

      马氏体不诱钢

      奥氏体不锈钢

      硬质合金

      公称压力:

      代号

      6

      10

      16

      25

      40

      63

      公称压力(Mpa)

      0.6

      1.0

      1.6

      2.5

      4.0

      6.3

      材料:

      代号

      C

      P

      R

      材料

      WCB

      lCrl8Ni9Ti

      ZGlCrl8Ni9Ti

      lCrl8Nil2MoTi

      ZGlCrl8Nil2MoTi

      设计制造标准

      引用但不限于以下标准,未注期的引用文件,其最新版本适用于本产品。

      r"标准内容

      标准号

      标准名称

      企业标准

      Q/OPJF006-2012

      GWXDF型双向流硬碰硬密封旋球阀

      设制造标准

      CJ/T283-2008

      城建部      偏心半球阀

      GB/T12237

      通用阀门    法兰和对焊连接钢制球阀

      GB/T12238

      通用阀门    法兰和对夹连接蝶阀

      结构长度标准

      GB/T12221

      金属阀门    结构长度

      法兰标准

      GB/T9113.1-4

      整体钢制管法兰/客户指定标准

      GB/T17241.6

      整体铸铁管法兰

      检验与试验标准

      GB/T13927

      通用阀门    压力试验

      JB/T9092

      阀门的试验检验

      使用材料标准

      GB/T12227

      通用阀门    球墨铸铁件技术条件

      GB/T12229

      通用阀门    碳素钢铸件技术条件

      GB/T12230

      通用阀门    奥式体钢铸件技术条件

      类型及工作原理

      1、主要类型:本阀门的主要类型有蜗轮蜗杆、电动、气动、液动、其中气动阀门和液动阀门适合于有压力气源和压力液源的场合。

      驱动方式

      蜗杆驱动

      液动

      电动

      气动

      法兰式型号

      GWXDF3204

      GWXDF7204

      GWXDF9204

      GWXDF6204

      工作原理:阀芯的密封面为三次曲面,阀座的密封面为1次圆锥面。在密封点处,阀座面实际上是阀芯三次曲面的切面(见图),因而其结合十分完美。有自适应(中心自动定位重合和补偿磨损功能。

                

      因为转动中心偏离阀芯几何中心,就有阀芯打开时阀芯实体不断向后退、向内缩、阀芯关闭时阀芯实体不断向前进、向外胀的实际效果,其功能相当于半球阀、闸阀、截止阀、蝶阀的综合。

      开各不同角度变化图:

      双向流阀门的最主要功能是既能在正向压力时密封良好,又能在反向压力或反向压力大于正向压力时也能密封良好。当正向压力作用时,介质压力推动阀板向前移动,阀杆弹性变形,阀板密封面紧贴阀座密封面传递压力,将阀座推向阀体台阶,使之密封良好。当反向压力作用时,介质压力推动阀板向后移动,阀杆弹性变形,介质压力同时推动阀座向后移动,使阀座密封面紧贴阀板密封面并保持密封比压,使之密封良好。

      阀门结构图

      蜗杆驱动与液动阀门:

      涡轮驱动 液压驱动(液动)


      电动与气动阀门:

      气动结构 电动结构

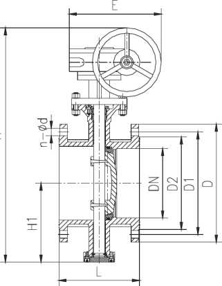
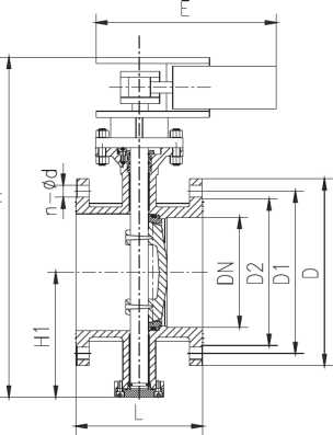
      连接尺寸

      0.6-1.0MPa双向硬密封旋球阀连接与装尺寸表

      DN

      0.6MPa

      1.OMPa

      L

      H

      E

      H

      D

      D1

      D2

      N-d

      D

      D1

      D2

      N-d

      手动

      气动

      电动

      手动

      气动

      电动

      150

      265

      225

      199

      8-18

      285

      240

      211

      8-22

      140

      175

      280

      355

      315

      555

      800

      705

      200

      320

      280

      254

      8-18

      340

      295

      266

      8-22

      152

      200

      425

      250

      315

      760

      850

      775

      250

      375

      335

      309

      12-18

      395

      350

      319

      12-22

      165

      230

      425

      250

      315

      830

      925

      945

      300

      440

      395

      363

      12-22

      445

      400

      370

      12-22

      178

      260

      560

      450

      315

      895

      1035

      1070

      350

      490

      445

      413

      12-22

      505

      460

      429

      16-22

      190

      300

      560

      450

      315

      950

      1070

      1140

      400

      540

      495

      463

      16-22

      565

      515

      480

      16-26

      216

      340

      580

      450

      315

      1190

      1190

      1210

      450

      595

      550

      518

      16-22

      615

      565

      530

      20-26

      222

      350

      580

      650

      714

      1255

      1250

      1335

      500

      645

      600

      568

      20-22

      670

      620

      582

      20-26

      229

      380

      580

      650

      714

      1305

      1290

      1415

      600

      755

      705

      667

      20-26

      780

      725

      682

      20-30

      267

      450

      660

      850

      810

      1340

      1455

      1605

      700

      860

      810

      772

      24-26

      895

      840

      794

      24-30

      292

      480

      550

      850

      810

      1520

      1585

      1844

      800

      975

      920

      878

      24-30

      1015

      950

      901

      24-33

      318

      530

      550

      1250

      810

      1710

      1700

      2040

      900

      1075

      1020

      978

      24-30

      1115

      1050

      1001

      28-33

      330

      580

      550

      1250

      863

      1810

      1965

      2255

      1000

      1175

      1120

      1078

      28-30

      1230

      1160

      1112

      28-36

      410

      650

      750

      1250

      863

      1960

      2015

      2380

      1200

      1405

      1340

      1295

      32-33

      1455

      1380

      1328

      32-39

      470

      760

      925

      1250

      863

      2250

      2250

      2640

      1400

      1630

      1560

      1510

      36-36

      1675

      1590

      1530

      36-42

      530

      850

      925

      1250

      1055

      2434

      2550

      2866

      1600

      1830

      1760

      1710

      40-36

      1915

      1820

      1750

      40-48

      600

      1030

      925

      1250

      1055

      2780

      2750

      3156

      1800

      2045

      1970

      1918

      44-39

      2115

      2020

      1950

      44-48

      670

      1230

      980

      1250

      1183

      3020

      2950

      3421

      2000

      2265

      2180

      2125

      48-42

      2325

      2230

      2150

      48-48

      760

      1350

      980

      1500

      1286

      3270

      3350

      3685

      2200

      2485

      2400

      2340

      52-42

      2560

      2440

      2400

      52-56

      800

      1300

       

       

       

       

       

       

      2400

      2685

      2600

      2540

      56-42

      2760

      2650

      2610

      56-56

      850

      1400

       

       

       

       

       

       

      2600

      2905

      2810

      2740

      60-48

      2960

      2850

      2810

      60-56

      900

      1500

       

       

       

       

       

       

      2800

      3115

      3020

      2960

      64-48

      3180

      3070

      3030

      64-56

      950

      1610

       

       

       

       

       

       

      3000

      3315

      3220

      3160

      68-48

      3400

      3290

      3250

      68-68

      1000

      1720

       

       

       

       

       

       

       

      DN

      1.6MPa

      2.5MPa

      L

      H

      E

      H

      D

      D1

      D2

      N-d

      D

      D1

      D2

      N-d

      手动

      气动

      电动

      手动

      气动

      电动

      150

      285

      240

      211

      8-22

      300

      250

      211

      8-26

      140

      175

      280

      355

      315

      555

      800

      705

      200

      340

      295

      266

      12-22

      360

      310

      274

      12-26

      152

      200

      425

      250

      315

      760

      850

      775

      250

      405

      355

      319

      12-26

      425

      370

      330

      12-30

      165

      230

      425

      250

      315

      830

      925

      945

      300

      460

      410

      370

      12-26

      485

      430

      389

      16-30

      178

      260

      560

      450

      315

      895

      1035

      1070

      350

      520

      470

      429

      16-26

      555

      490

      448

      16-33

      190

      300

      560

      450

      315

      950

      1070

      1140

      400

      580

      525

      480

      16-30

      620

      550

      503

      16-36

      216

      340

      580

      450

      315

      1190

      1190

      1210

      450

      640

      585

      548

      20-30

      670

      600

      548

      20-36

      222

      350

      580

      650

      714

      1255

      1250

      1335

      500

      715

      650

      609

      20-33

      730

      660

      609

      20-36

      229

      380

      580

      650

      714

      1305

      1290

      1415

      600

      840

      770

      720

      20-36

      845

      770

      720

      20-39

      267

      450

      660

      850

      810

      1340

      1455

      1605

      700

      910

      840

      794

      24-36

      960

      875

      820

      24-42

      292

      480

      550

      850

      810

      1520

      1585

      1844

      800

      1025

      950

      901

      24-39

      1085

      990

      928

      24-48

      318

      530

      550

      1250

      810

      1710

      1700

      2040

      900

      1125

      1050

      1001

      28-39

      1185

      1090

      1028

      28-48

      330

      580

      550

      1250

      863

      1810

      1965

      2255

      1000

      1255

      1170

      1112

      28-42

      1320

      1210

      1140

      28-55

      410

      650

      750

      1250

      863

      1960

      2015

      2380

      1200

      1485

      1390

      1328

      32-48

      1530

      1420

      1350

      32-55

      470

      760

      925

      1250

      863

      2250

      2250

      2640

      1400

      1685

      1590

      1530

      36-48

      1755

      1640

      1560

      36-60

      530

      850

      925

      1250

      1055

      2434

      2550

      2866

      1600

      1930

      1820

      1750

      40-55

      1975

      1860

      1780

      40-60

      600

      1030

      925

      1250

      1055

      2780

      2750

      3156

      1800

      2130

      2020

      1950

      44-55

      2195

      2070

      1985

      44-68

      670

      1230

      980

      1250

      1183

      3020

      2950

      3421

      2000

      2345

      2230

      2150

      48-60

      2425

      2300

      2210

      48-68

      760

      1350

      980

      1500

      1286

      3270

      3350

      3685

      1.6-2.5MPa双向硬密封旋球阀连接与装尺寸表

      4.0-6.3MPa双向硬密封旋球阀连接与装尺寸表

      DN

      4.0MPa

      6.3MPa

      L

      H

      E

      H

      D

      D1

      D2

      N-d

      D

      D1

      D2

      N-d

      手动

      气动

      电动

      手动

      气动

      电动

      150

      300

      250

      211

      8-26

      345

      280

      211

      8-33

      140

      175

      280

      355

      315

      555

      800

      705

      200

      375

      320

      284

      12-30

      415

      345

      284

      12-36

      152

      200

      425

      250

      315

      760

      850

      775

      250

      450

      385

      345

      12-33

      470

      400

      345

      12-36

      165

      230

      425

      250

      315

      830

      925

      945

      300

      515

      450

      409

      16-33

      530

      460

      409

      16-36

      178

      260

      560

      450

      315

      895

      1035

      1070

      350

      580

      510

      465

      16-36

      600

      525

      465

      16-39

      190

      300

      560

      450

      315

      950

      1070

      1140

      400

      660

      585

      535

      16-39

      670

      585

      535

      16-42

      216

      340

      580

      450

      315

      1190

      1190

      1210

      450

      685

      610

      560

      20-39

       

       

       

       

      222

      350

      580

      650

      714

      1255

      1250

      1335

      500

      755

      670

      615

      20-42

       

       

       

       

      229

      380

      580

      650

      714

      1305

      1290

      1415

      600

      890

      795

      735

      20-48

       

       

       

       

      267

      450

      660

      850

      810

      1340

      1455

      1605

      注:其他压力等级请咨询公司技术部,不同连接标准,可按用户要求设计生产。

      因产品改进,可能存在实物与宣传资料数据有所差异,本公司保留对以上数据的解释权,具体参数订货时请垂询本公司技术部。

      维护注意事项

      1)前后0.5DN长度内的管道上不能有缩径、弯管、波纹管等;

      2)如果本阀门前后紧接着安装蝶阀、管力阀、蝶式止回阀或蝶式缓闭止回阀,相邻两阀之间相隔直管段为1.0DN 距离;

      3)阀板在装配、安装、运输、维护检修或拆开时时要注意不能碰密封面,要采取严格的保护措施;

      4)在装配、运输、安装、保管时阀板要呈关闭状态;

      5)如有必要需拆开时,注意不要损坏轴套,防止圆锥销失和轴套的散失;

      6)装配、安装、维护检修完毕要清除干净阀门内的金属屑、污物、杂质,堆焊的密封面要抹拭干净;

      7)无论卧式安装或立式安装,当无法确定流道方向时,阀门打开时,蝶阀为大面端头朝向进水方向;

      8)长期不使用请用黄油涂复密封面或油纸,蜡纸复盖密封面。

      安装示意图

      旋球阀与其他产品对比

      双向硬密封旋球阀与具有某些功能其它阀门的比较

      双向硬密封旋球阀

      软密封中线蝶阀

      多层次蝶阀

      弹性片双向流蝶阀

      偏心半球阀

      1、双向均能可靠密 封,可双向满足国家 试压标准

      可以双向加压, 靠边缘橡胶变形密封

      不能双向密封,反向达到 0.1-0.3MPa 即 将自动打开、 漏水

      可以双向,但长期反向将产生永久变形而失效

      不能双向,反向自动打开、漏水

      2、阀座、阀芯密封面均可制成高硬密封面

      阀座或阀板少一边是橡胶软密封

      阀座或阀板少一边为多层次结构(即多层不锈钢片与多层石墨的叠加)

      —边是整体成型的不锈钢弹性薄片,

      两边均可堆硬,但球体如太硬则难保证加工精度

      3、具有磨损后密封自动补偿功能

      橡胶一旦磨损破坏即密封失效

      不能补偿,多层次一碰就内缩而泄漏

      弹性片有磨损就失效

      可以补偿

      4、关闭时可切断长条形杂质,排开颗粒形杂质

      高硬杂质会将密封破坏

      杂质将破坏多层结构中的石墨部分,而使 密封失效

      弹性片强度低,易被杂质破坏失效

      关闭时能切断长条形杂质,排开颗粒形杂质

      5、关闭时阀芯、阀座密封面无磨擦

      完全靠摩擦进入密封

      高精度三偏心 无摩擦,否则有摩擦

      摩擦非常严重

      关闭时阀芯、阀座 密封面无磨擦

      6、结构长度短,重量轻,可制成大口径阀门

      结构长度短,重量轻,可制成口径的阀门

      结构长度短, 重量轻,可制成大口径的阀门

      结构长度短,重量轻,可制成大口径阀门

      结构长度长,重量重,不能制成大口径阀门

    0571-87774297