供应分体电液动耐磨刀闸阀不锈钢板防腐直发
供应分体电液动耐磨刀闸阀不锈钢板防腐直发
产品价格:¥3075.00(人民币)
  • 规格:完善
  • 发货地:天津天津
  • 品牌:
  • 最小起订量:1
  • 免费会员
    会员级别:试用会员
    认证类型:企业认证
    企业证件:通过认证

    商铺名称:天津凯吉阀门有限公司

    联系人:武会玲()

    联系手机:

    固定电话:

    企业邮箱:1398088955@qq.com

    联系地址:天津市津南区北闸口开发区政和路37号

    邮编:300350

    联系我时,请说是在泵阀网上看到的,谢谢!

    商品详情
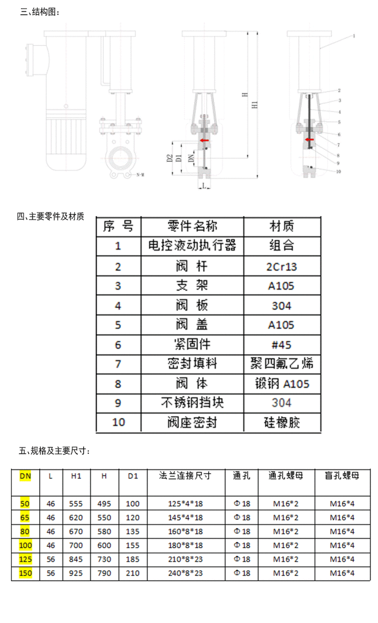
      产品参数
      品牌凯吉
      零部件及配件执行器
      压力环境常压
      规格PZ973X/H-16C
      公称通径DN50
      DN65
      标准国际
      工作温度常温
      驱动方式电动
      连接方式法兰
      密封形式硬密封型
      适用介质选煤 选矿
      流动方向单向
      主题材料碳钢
      可售卖地北京;天津;河北;山西;内蒙古;辽宁;吉林;黑龙江;上海;江苏;浙江;安徽;福建;江西;山东;河南;湖北;湖南;广东;广西;海南;重庆;四川;贵州;云南;西藏;陕西;甘肃;青海;宁夏;新疆;澳门
      用途流量控制










    0571-87774297