kromschroder电动执行器IC20-30W3E
kromschroder电动执行器IC20-30W3E
产品价格:¥4780.00(人民币)
  • 规格:完善
  • 发货地:北京
  • 品牌:
  • 最小起订量:1
  • 免费会员
    会员级别:试用会员
    认证类型:企业认证
    企业证件:通过认证

    商铺名称:北京华科益能科技有限公司

    联系人:(先生)

    联系手机:

    固定电话:

    企业邮箱:hikeenon@126.com

    联系地址:109, jinghai Road

    邮编:

    联系我时,请说是在泵阀网上看到的,谢谢!

    商品详情
      产品参数
      品牌KROM
      产品特性驱动蝶阀
      加工定制
      别名电动头
      外形尺寸100*100
      规格4mA~20mA
      供电220VAC
      扭矩3Nm
      角度0°~90°
      运行时间30秒
      功能大小位可调
      可售卖地全国
      型号IC20-30W3E

      特征

      ●? 电动执行器IC20设计用于控制的场合,旋转角度0-90度。

      ●? 可以直接安装在蝶阀BVG、BVA、BVH上,用于控制烧嘴的燃气和空气流速。调节比例1:10。

      ●? 可选配反馈电阻,以便检测当前执行器阀位。此功能可用在自动控制程序中。

      ●?? 设有手动/自动转换开关,便于安装调试和日常维护(可选)。

      ●?? 阀位指示器可从阀体外面显示阀位

      ●?? 内置可调节凸轮可对阀位做调节。


      技术参数

      工作电压:

      120VAC,-15/ 10,50/60Hz,

      230VAC,-15/ 10,50/60Hz。

      功率:

      4.9VA 50Hz, 5.4VA 60Hz。

      旋转角:0-90°,可调。

      凸轮触点负荷:





      外形尺寸图



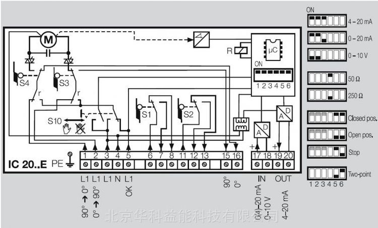
      接线图





    0571-87774297