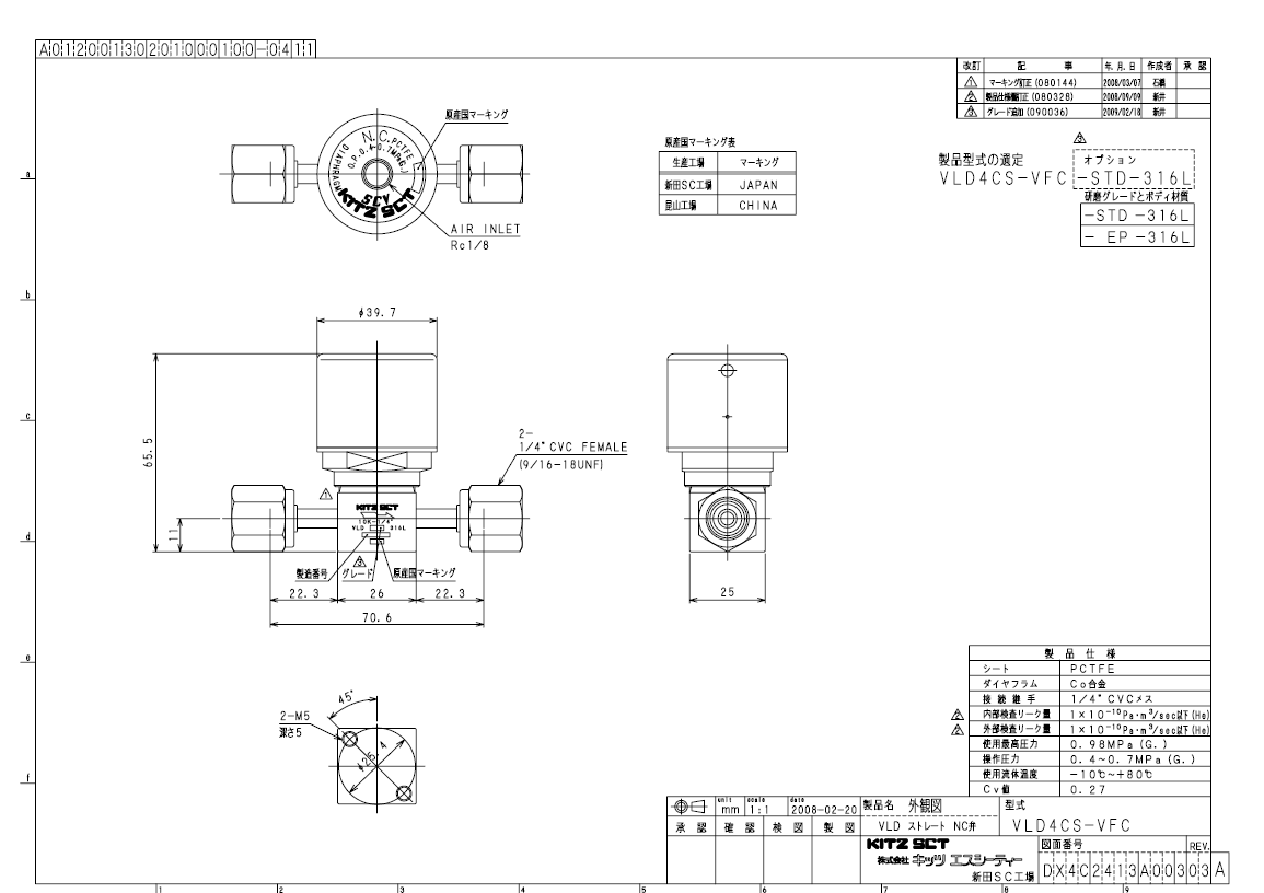
VLD4CS-VFC-EP-316L气动母头隔膜阀_日本KITZSCT
VLD4CS-VFC-EP-316L气动母头隔膜阀_日本KITZSCT
产品价格:¥2980.00(人民币)
  • 规格:1\/4
  • 发货地:上海上海
  • 品牌:
  • 最小起订量:1
  • 免费会员
    会员级别:试用会员
    认证类型:企业认证
    企业证件:通过认证

    商铺名称:上海日柯阀门有限公司

    联系人:黄先生()

    联系手机:

    固定电话:

    企业邮箱:kitzsh@126.com

    联系地址:中国上海市龙漕路51弄1号104室(金海大厦)

    邮编:200232

    联系我时,请说是在泵阀网上看到的,谢谢!

    商品详情
      产品参数
      材质不锈钢
      型号VLD4CS-VFC-EP-316L
      产品特性KITZSCT
      连接形式内螺纹
      结构形式直通式
      公称通径1/4-1/2mm
      适用介质氮气
      驱动方式压缩空气
      压力环境低压
      工作温度常温
      标准日标
      流动方向单向
      零部件及配件配件
      用途调压
      类型(通道位置)二通式
      规格1/4-1/2
      品牌日本KITZSCT







    0571-87774297