vuototecnica低压真空调节器真空调节装置110350
vuototecnica低压真空调节器真空调节装置110350
产品价格:¥3000.00(人民币)
  • 规格:完善
  • 发货地:上海上海
  • 品牌:
  • 最小起订量:1
  • 免费会员
    会员级别:试用会员
    认证类型:企业认证
    企业证件:通过认证

    商铺名称:易旦自动化工程(上海)有限公司

    联系人:李先生(先生)

    联系手机:

    固定电话:

    企业邮箱:sales@intelligent-hand.com

    联系地址:上海市松江区沪松公路2511弄86号

    邮编:201824

    联系我时,请说是在泵阀网上看到的,谢谢!

    商品详情
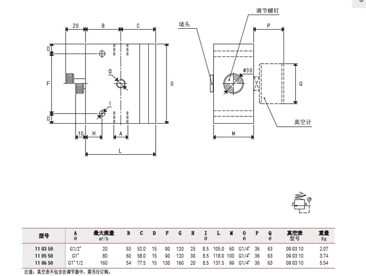
      产品参数
      品牌沃泰可
      真空调节器真空稳压阀
      真空流量20m3/h
      真空连接口径G1/2 英寸
      工作压力1-980mbar abs
      原产地意大利
      调节方式手动调节
      低压真空调节最大口径G1 1/2英寸
      重量2.07kg
      工作原理隔膜柱塞式调节
      可售卖地全国
      材质




    0571-87774297