WB120-WD-1.5KW摆线针轮减速机WB65\/85\/100针轮减速器
WB120-WD-1.5KW摆线针轮减速机WB65\/85\/100针轮减速器
产品价格:¥450.00(人民币)
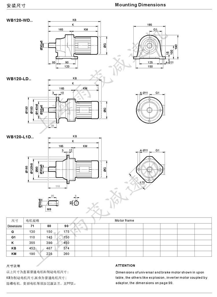
  • 规格:WB120
  • 发货地:浙江温州
  • 品牌:
  • 最小起订量:1
  • 免费会员
    会员级别:试用会员
    认证类型:企业认证
    企业证件:通过认证

    商铺名称:上海雨茂机电科技有限公司

    联系人:(先生)

    联系手机:

    固定电话:

    企业邮箱:shyumau@163.com

    联系地址:

    邮编:

    联系我时,请说是在泵阀网上看到的,谢谢!

    商品详情
      产品参数
      WB120-WD-1.5KW摆线针轮减速机 WB65/85/100针轮减速器 是否进口
      额定电压380Vv
      极数4
      适用范围自动化机械设备
      产地浙江
      是否定制
      类别WB摆线针轮减速机
      型号WB120
      许用转矩150N.m
      品牌雨茂YUMAU
      电机功率0.37-1.5kw
      可选用减速比9-87
















    0571-87774297