90EPS16 Z,90EPS12 Z,90A大功率插件高压整流二极管,sheier/希尔
90EPS16 Z,90EPS12 Z,90A大功率插件高压整流二极管,sheier/希尔
产品价格:¥25(人民币)
  • 规格:90EPS16 Z,90EPS12 Z
  • 发货地:四川成都市
  • 品牌:
  • 最小起订量:1只
  • 免费会员
    会员级别:试用会员
    认证类型:企业认证
    企业证件:通过认证

    商铺名称:四川华芯高工电子有限公司

    联系人:(先生)

    联系手机:

    固定电话:

    企业邮箱:hxggdz@sina.com

    联系地址:四川 成都市 青羊区 西大街84号1-1幢15层1506号

    邮编:

    联系我时,请说是在泵阀网上看到的,谢谢!

    商品详情

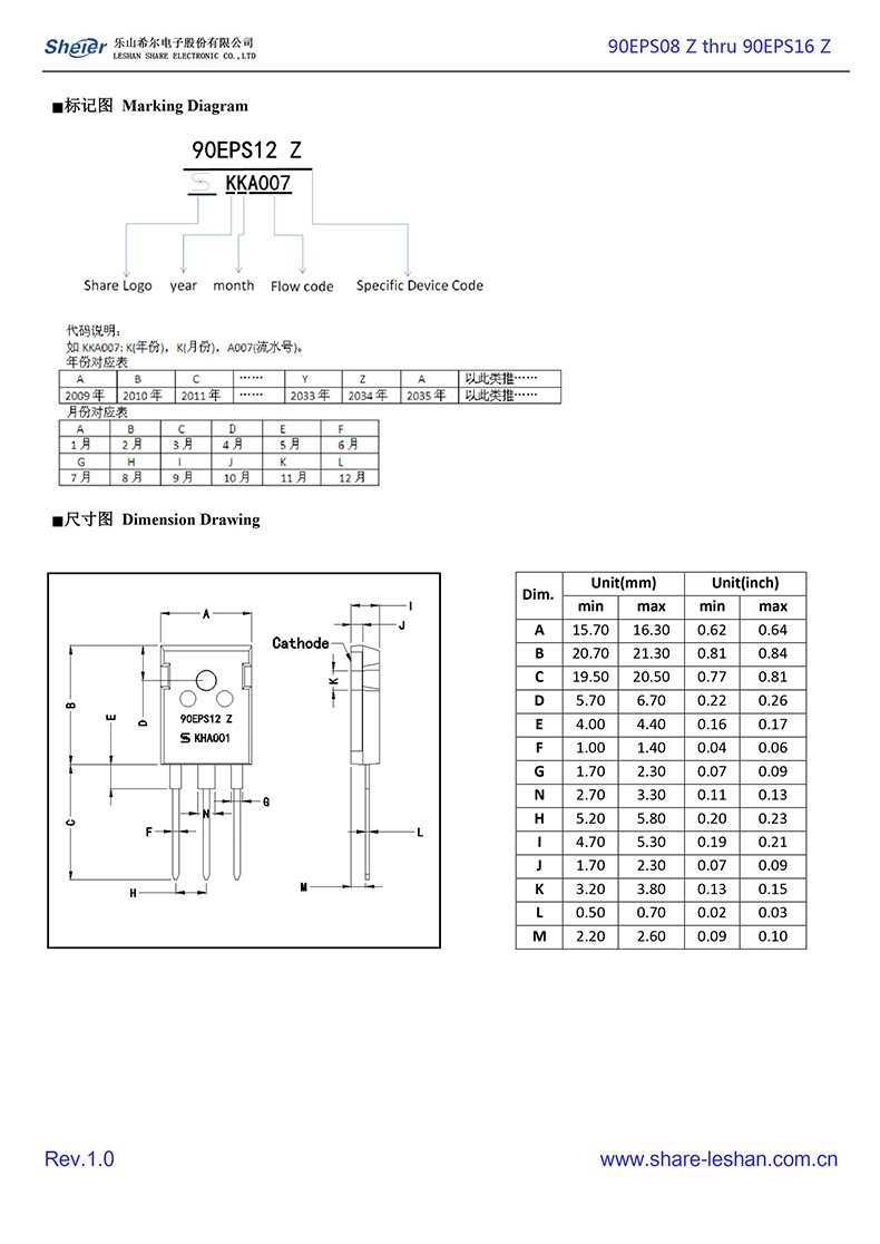
      sheier/乐山希尔 全新原厂原装普通整流二极管:90EPS16 Z,90EPS14 Z,90EPS12 Z,90EPS10 Z,90EPS08 Z正向整流电流:90A;反向峰值电压:600V~1600V;封装方式:TO-247AD。通用电源、电器、适配器、充电器、充电桩、工控、医疗设备、工业特种电源、高频电源、风光储新能源、逆变器、伺服电机马达等产品电路作整流、续流、开关、钳位、防反接、防逆回流等作用。GPP大芯片高电压大电流大功率插件式通用常规标准二极管90EPS16 Z,90EPS14 Z,90EPS12 Z,90EPS10 Z,90EPS08 Z。【页面标价非成交价,请联系详询报价】


    0571-87774297