BQC53带总开关防爆磁力起动器
BQC53带总开关防爆磁力起动器
产品价格:¥230(人民币)
  • 规格:BQC53
  • 发货地:浙江温州市
  • 品牌:
  • 最小起订量:1台
  • 免费会员
    会员级别:试用会员
    认证类型:企业认证
    企业证件:通过认证

    商铺名称:乐清市润发电器有限公司

    联系人:徐晶()

    联系手机:

    固定电话:

    企业邮箱:1241478013@qq.com

    联系地址:浙江省温州市乐清市柳市镇

    邮编:325604

    联系我时,请说是在泵阀网上看到的,谢谢!

    商品详情

      防爆磁力启动是一种起动装置,是一种用在电机上的起动装置,可有效的防止起弧而引起的火灾事故的发生,磁力启动器主要用于远距离的控制电动机的启动,停止,反转等状态,还有对电动机的实现保护功能,对电动机低电压和过载时进行保护。
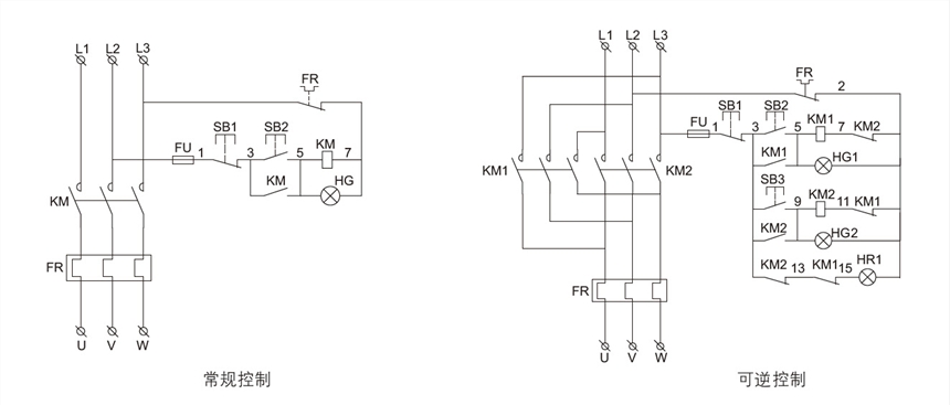
      防爆磁力启动器主要由冲压外壳,钢质地板、交流接触器等以及相应的配线构成,按下启动按钮时,防爆磁力启动器内部装的交流接触器线圈就会得到电流,即而带动触点组不和,接通用电器电源,同时通过辅助触点自锁,而按下停止按钮时,内部交流接触器线圈失去电流,进而使触点断开,切断电源


      BQC53带总开关防爆磁力起动器定购流程
      一.说明产品的规格,参数与数量
      二.我方在参考客供提供的相关资料给予定制合适的订购方案
      三.双方同意,传真形式签定销售合同
      四.用户付款后,方可生产或需打订金需付30%.在产品做好发货当天,请于将余款补齐即可,方可发货.
      五.合同签订,双方需盖公司公章,予以证明,合同起效,双方严格履行合同.
      六.产品质保一年,如无人为条件,我公司免费保证一年维修与维护BQC53带总开关防爆磁力起动器适用范围

      1、适用于爆炸性气体环境1区、2区;
      2、适用于可燃性粉尘环境21区、22区;
      3、适用于IIA、IIB、IIC级爆炸性气体环境;
      4、适用于温度组别为T1~T6/T4的环境;
      5、适用于石油采炼、储存、、医药、纺织、印染、设施等爆炸性危险环境;
      6、用于动力支路的通断;
      7、可根据客户要求选配内部元件的产品品牌。
       
      BQC53带总开关防爆磁力起动器产品特点

      外壳采用ZL102铝合金压铸或钢板焊接成型,表面高压静喷塑,配不锈钢外露紧固件,产品外形美观。?
      防爆磁起动器采用复合型,模块结构,各回路可根据需要自由组装,一般开关箱采用隔爆型结构,母线箱及出线箱采用增安型结构.?
      内装交流接触器、热继器、控制按钮或开关,也可在箱面或远程操作,也可两地操作,具有分断、过载、失压保护和短路自动切断功能。?
      可根据客户要求特制,如加装涌保护器、流表、压表等,外可配挂锁金属手柄。?
      适用于控制多台动机, 各个支路均可配断路器保护,还可为照明或仪表配出源。

      可控设备:
      水泵、排水泵、电机、变频器、阀门、风机、排污泵
      功率:0.97KW、1.5KW、2KW、5.5KW、7.5KW
      控制方式:远程、就地、现场、两地
      材质:铝壳、钢板、不锈钢、工程塑料
      等级:ExdIIBT4 dipa21t4/t6
      防护:IP55/IP65





      防爆磁力启动器技术参数 
      型号:BQD53-10K  额定电流:10A  额定电压:220/380V控制电动机最大功率:4KW电缆外径:∮10-∮14进线口螺纹:3/4 
      型号:BQD53-20K  额定电流:20A  额定电压:220/380V控制电动机最大功率:8KW电缆外径:∮10-∮14进线口螺纹:3/4 
      型号:BQD53-40K  额定电流:40A  额定电压:220/380V控制电动机最大功率:18KW电缆外径:∮14-∮18进线口螺纹:1 
      型号:BQD53-63K  额定电流:63A  额定电压:220/380V控制电动机最大功率:28KW电缆外径:∮15-∮23进线口螺纹:11/4 
      型号:BQD53-100  额定电流:100A  额定电压:220/380V控制电动机最大功率:45KW电缆外径:∮18-∮30进线口螺纹:11/2 
      型号:BQD53-10N  额定电流:10A  额定电压:220/380V控制电动机最大功率:4KW电缆外径:∮10-∮14进线口螺纹:3/4 
      型号:BQD53-20N  额定电流:20A  额定电压:220/380V控制电动机最大功率:8KW电缆外径:∮10-∮14进线口螺纹:3/4 
      型号:BQD53-40N  额定电流:40A  额定电压:220/380V控制电动机最大功率:18KW电缆外径:∮15-∮23进线口螺纹:11/4 
      继电整定电流调节范围:0.25-0.35;0.32-0.50;0.45-0.72;0.68-1.10;1.0-1.6;1.5-2.4;2.2-3.5;3.2-5.0;4.5-7.2;6.8-1.1;10-16,15-24;22-33;30-45;50-63;56-85;85-125 
      防爆志:ExdeII4      ExdeIICT4    Exd  II4     
      防护等级:IP54,IP65* 
      防腐等级:W,WF1 
      防爆力启动器,星三角,配电箱,

      1、执行标准:GB3836.1、GB3836.2、GB3836.3、GB12476.1、IEC60079-0、IEC60079-1、IEC60079-7、IEC61241-1-1
      2、防爆标志:ExdellBT4、ExdellCT6、DIPA21TA,T6
      3、额定电压:AC380V
      4、主回路额定电流:≤400A
      5、支路数:2、4
      6、支路额定电流:≤100A
      7、防护等级:IP65
      8、防腐等级:WF1
      9、引入口规格:G1″~G3″
      10、适用电缆外径:Φ11mm~Φ55mm
      11、进出线口方向:下进下出或下进上出(下进下出,其它方向请注明)
      12、安装方式:挂式、立式
      CBP55-2/100K(带总)防爆动力检修箱

      BQC—防爆磁力启动器
      X——S:工程塑料外壳(可不注);G:不锈钢外壳;L:铝合金外壳
      AX——额定电流(不配不注)
      BX——电表数(不配不注)
      DX——指示灯数(不配不注)
      KX——开关数(不配不注)
      PX——电位器数(不配不注)
      X——安装方式(G:挂式;L:立式)
      X——进线口方向(X:下进线(可不注);D:上进线;B:后进线)
      X(X)——进线口数量(螺纹规格)
      注:
      1、本产品可在户内或户外使用 结构概述

      a.起动器是按照GB3836.1~3—2000标准要求设计制造,并经国家指定检验机关检验
      合格,颁发防爆合格证;BQC53带总开关防爆磁力起动器
      安装使用:

      1、安装:

      1.1起动器在安装前应检查其技术数据是否与工作电压,所控制电机容量相符,其零部件应完好无误;

      1.2电缆的引入及引出应用接线装置中的橡胶密封圈,金属堵环,压紧螺母或压紧法兰将电缆压紧以达到隔爆要求,同时应紧固电缆防松脱装置;

      1.3不使用的接线口应用橡胶密封圈、金属堵环、金属堵板严密封堵;

      1.4起动器外壳应接地,安装时其倾斜度不大于15度;

      1.5应根据实际工作电流对保护器进行电流整定。

      2、使用维护注意事项:

      2.1保护器电子线路、RC组件不做工频耐压试验

      2.2主线路做耐压试验时,应将保护器以及RC组件和其它辅助线路一同脱开主线路接地,然后再做耐压试验;

      3、当使用电网系统为660(380)V时,主回路相间、相对地间、同相极与极间工频耐压2500V,当使用电网系统为1140(660)V时,主回路相间、相对地间、同相极与极间工频耐压4200V,1min;控制线路对地耐压1000V,1min不得有闪络及击穿现象

      防爆磁力启动器要求
      1 起动器的主腔为隔爆型结构,接线腔为增安型结构。
      2 起动器的电气间隙不小于6mm,爬电距离不小于10mm。
      3 起动器外壳材质采用含镁量不大于6%(质量百分比)的铸造铝合金制造。
      4 起动器所有紧固件必须具有防止自行松脱措施。
      5 起动器的所有黑色金属零部件必须具有防锈措施,表面不得有镀层脱落现象。
      6 起动器应设有接地螺钉,内接地螺钉M6, 外接地螺钉M8,并标注接地符号“〨”。
      7 起动器外壳在明显处应设有清晰,*性的凸纹标志“Ex”。
      8 起动器ⅡB类隔爆接合面宽度L≥12.5,l≥8,接合面间隙/直径间隙ic≤0.15;
      ⅡC类隔爆接合面宽度L≥25,接合面间隙/直径间隙ic≤0.15,接合面表面平均粗糙度Ra不超过6.3μm。
      从隔爆外壳内部到外部通过胶粘接合面短通路不小于10㎜。
      10 起动器隔爆接合面涂204-1置换型防锈油。
      11 起动器外壳外表面涂浅灰色粉末漆。
      订货须知

      订货须知: 
      1、须说明防爆磁力启动器型号规格如:BQC-10A; 
      2、须注明安装方式如壁挂式代号为'G',立柱式代号为'L'; 
      3、外壳尺寸或由我公司根据元件数量及参数来选择,如要配防雨罩请注明;
      4、本公司默认为下进下出线,如需特殊要求请提前告知订货时必须说明产品的完整型号、名称、规格及订货数量。

      例:BQC53-40防爆磁力起动器、40A、12台。

      防爆磁力启动器售前服务:
      一、提供技术咨询:我们会在半个小时以内,根据您的需要为您提供任何专业技术及价格方面的咨询、给予快速回复等等。
      二、提供考察接待:我们欢迎您随时随地莅临公司现场考察,并为您提供便利条件。
       售中服务:
      一、无论您是国外的客户还是国内的客户,无论您是我们的老客户还是我们的新朋友,无论您的合同经额是大还是小,我们都将诚信、公平、热情、严谨地同一对待;
      二、我们保证守时、保质、保量地严格执行合同规定的各项条款,并且为客户提供超值的服务等。
       售后服务:
      我们建立了全球售后服务信息处理系统,24小时跟踪客户。订货时需严谨按照型号含义详细注明产品各项参数,及所需数量等

      有特殊要求(如进出线方向,远控,不带总开关等)请另行注明并提供电气原理图




    0571-87774297