SFKX-A智能型通风方式控制箱厂家一手货源
SFKX-A智能型通风方式控制箱厂家一手货源
产品价格:¥1200(人民币)
  • 规格:SFKX-A
  • 发货地:陕西西安市
  • 品牌:
  • 最小起订量:1台
  • 诚信商家
    会员级别:钻石会员
    认证类型:企业认证
    企业证件:通过认证

    商铺名称:西安鼎兴自控工程有限公司

    联系人:赵经理(小姐)

    联系手机:

    固定电话:

    企业邮箱:2409511046@qq.com

    联系地址:西安市莲湖区华西路任家口工业园北区西一号

    邮编:710082

    联系我时,请说是在泵阀网上看到的,谢谢!

    商品详情

      一、产品概述

             智能型通风方式控制箱和三防显示屏,人防音响警报接收设备配套使用。采用可编程控制器输出三种通风方式信号,显示屏采用LED分别显示三种通风状态。

             通风方式转换指令由上级指挥单位发来,或根据本单位防化通信值班室实地检测出的空气质量作出决定。

      二、产品特点

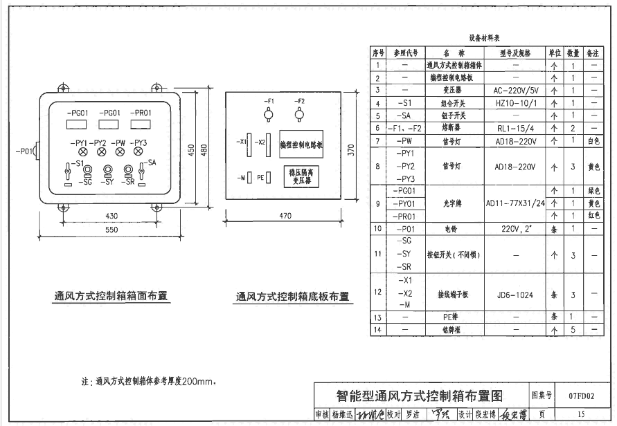
         参照国标图集《07FD02》,标准化生产,带第三方检测报告,符合人防验收标准


      三、产品参数

      ●电源电压: AC220V ;
      ●额定功率:15W;
      ●箱体尺寸: 550*450*200mm (长H*高W*深D ) ;
      ●防护等级:IP65;
      ●箱体板材厚度: 1.0mm ;
      ●箱体颜色;标准颜色RAL7032 (计算机灰)或RAL7035 (计算机白或者其他颜色,需提前定制,提供色卡)

      四、安装及其他

      1.智能型通风方式控制箱设置在防化值班室内,箱体底边距地1.2米,挂墙明装。

      2.配套的清洁,隔绝,滤毒的指示灯安装在战时进风机室、防化通信值班室、值班室、人员出入口最里一道密闭门内侧,箱体底边距门上加0.1米,挂墙明装。
      五、控制原理图


      六、产品应用

             智能通风方式信号控制箱是人防工程地下室空气质量状态的显示和转换报警装置。系统由通风方式信号控制箱、通风方式信号灯箱、防爆呼叫按钮三部分组成.


      七、交货及包装

      1、交货时间:常规产品当天15:00点以前下单当天发货,如有特殊要求请与业务人员协商;

      2、包装要求:纸箱非回收

      3、验收资料随货

      4、送货:物流送货上门(偏远地区需物流点自提)

      八、产品质量保证及售后服务

      1、非常感谢您选用西安鼎兴自控工程有限公司生产的电气产品,我们每一件产品都是在严格的管理控制下进行生产,如果您在安装、调试时遇到问题,请与公司售后服务人员联系,我们将竭诚为您服务。
      2、根据相关法规,我们的产品质量保修期为自出厂之日起24个月,在保修期内产品出现的质量问题,我方及时免费维修、更换;
      3、由于错误安装、调试造成的产品的损坏及非保修期范围内产品,在进行维修、更换时公司将收取材料成本费用。



    0571-87774297